| Обозначение: |  ГОСТ 34680-2020 |
| Статус: | действующий |
| Название рус.: | Краны грузоподъемные. Крюки кованые и штампованные. Технические требования |
| Название англ.: | Cranes. Forged and stamped hooks. Technical requirements |
| Дата актуализации текста: | 01.12.2024 |
| Дата актуализации описания: | 01.07.2023 |
| Дата регистрации: | 30.09.2020 |
| Дата издания: | 07.06.2021 |
| Дата введения: | 01.06.2021 |
| Взамен: | ГОСТ 2105-75; ГОСТ 6627-74; ГОСТ 6628-73 |
| Нормативные ссылки: | ГОСТ 9.032; ГОСТ 12.4.026; ГОСТ 1050; ГОСТ 1497; ГОСТ 2789; ГОСТ 4543; ГОСТ 7505; ГОСТ 8479; ГОСТ 9012; ГОСТ 9454; ГОСТ 9562; ГОСТ 14034; ГОСТ 15150; ГОСТ 16093; ГОСТ 19281; ГОСТ 21014; ГОСТ 24297; ГОСТ 25347; ГОСТ 33709.1; ГОСТ 34017 |
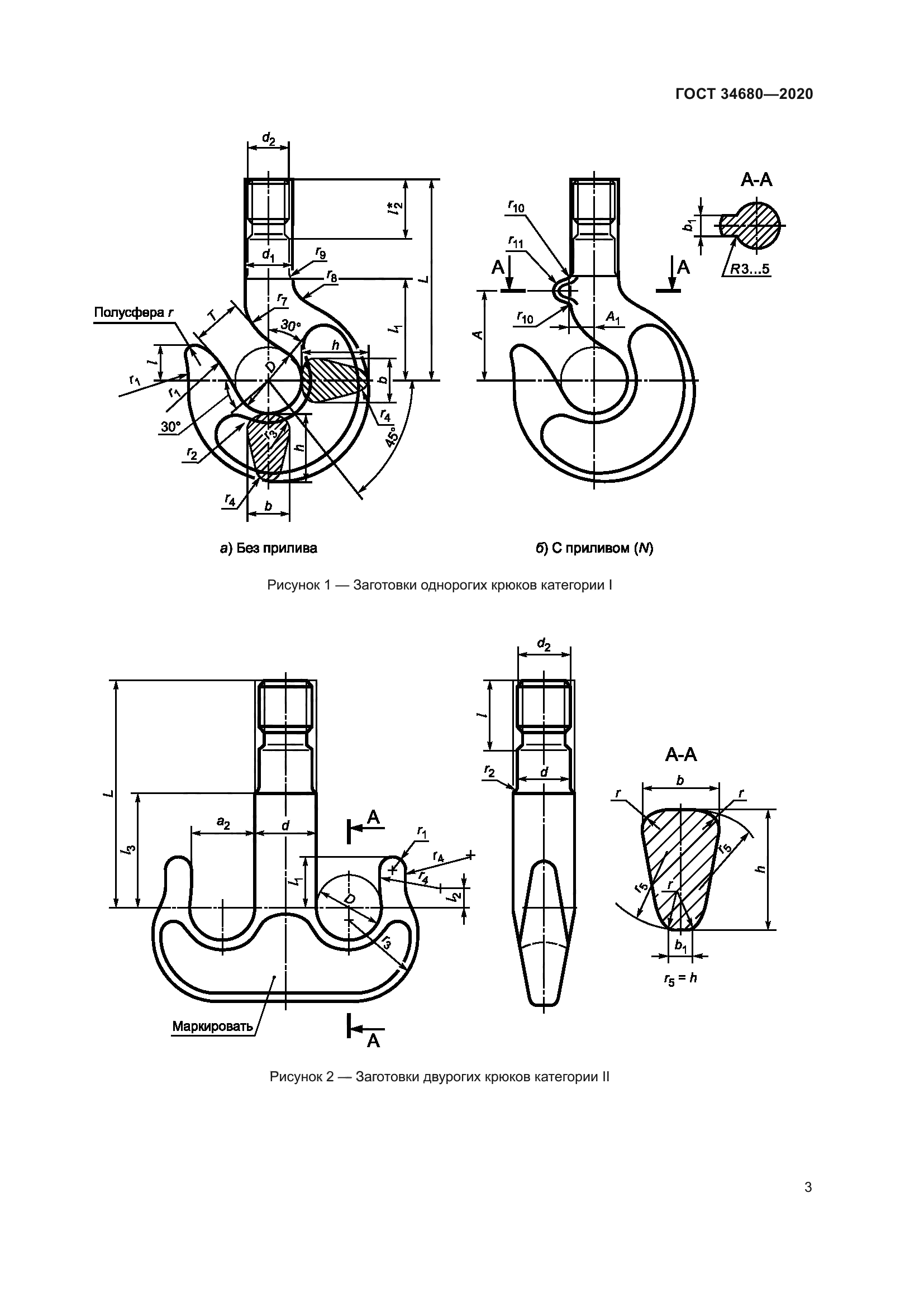
| Область применения: | Настоящий стандарт устанавливает технические требования к однорогим и двурогим крюкам, применяемым в грузоподъемных кранах и других подъемных механизмах, а также методы их контроля. Настоящий стандарт не распространяется на крюки для судостроения и крюки специального назначения |
| Приложение №1: | Поправка к ГОСТ 34680-2020 |
| Приложение №2: | Поправка к ГОСТ 34680-2020 |
| Приложение №3: | Поправка к ГОСТ 34680-2020 |
|