Скачать ГОСТ Р 54418.27.1-2019 Установки ветроэнергетические. Часть 27-1. Общие имитационные модели ветроэнергетических установок, присоединенных к энергосистемеДата актуализации: 01.06.2025 ГОСТ Р 54418.27.1-2019
Установки ветроэнергетические. Часть 27-1. Общие имитационные модели ветроэнергетических установок, присоединенных к энергосистеме
| Обозначение: |  ГОСТ Р 54418.27.1-2019 |
| Статус: | действующий |
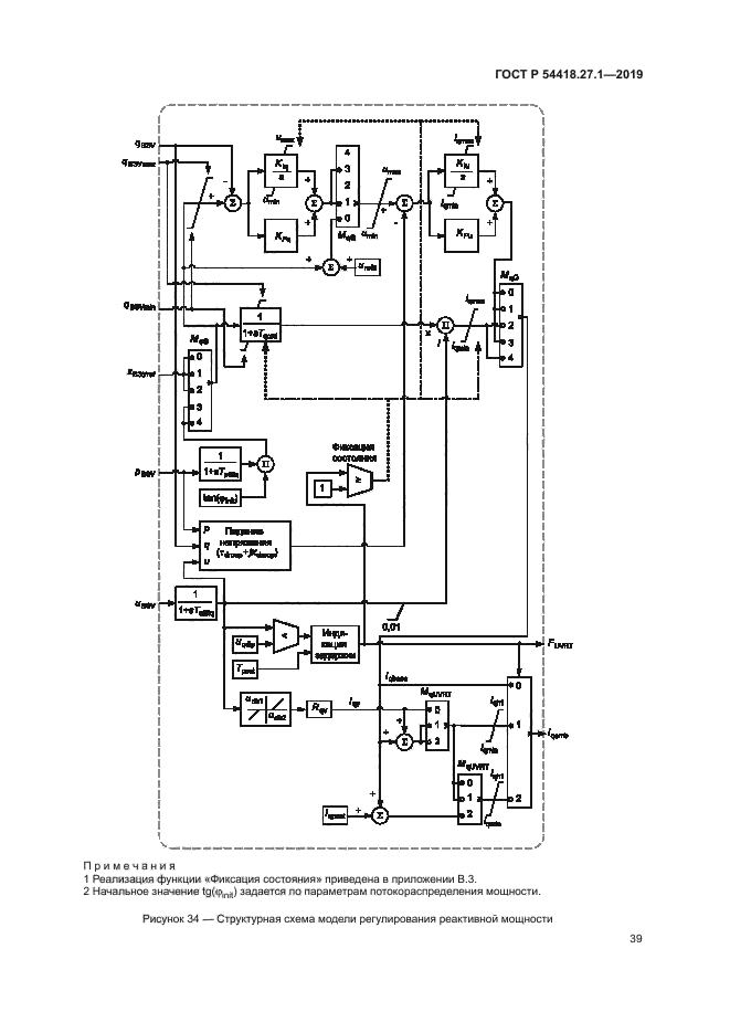
| Название рус.: | Установки ветроэнергетические. Часть 27-1. Общие имитационные модели ветроэнергетических установок, присоединенных к энергосистеме | | Название англ.: | Wind turbines. Part 27-1. generic simulation models of grid connected wind turbines | | Дата актуализации текста: | 01.01.2021 | | Дата актуализации описания: | 01.07.2023 | | Дата издания: | 17.01.2020 | | Дата введения: | 01.06.2020 | | Содержит требования: | IEC 61400-27-1(2015) | | Нормативные ссылки: | ГОСТ 1494; ГОСТ 18311; ГОСТ 32144; ГОСТ Р 54418.21-2011; ГОСТ Р 51237; ГОСТ Р 55589 | | Область применения: | Настоящий стандарт распространяется на ветроэнергетические установки (ВЭУ), присоединенные к энергосистеме, и устанавливает общие имитационные модели таких ВЭУ. Модели предназначены, прежде всего, для оценки влияния работы ВЭУ на энергосистему, для оценки изменения выходных парамеров ВЭУ при возникновении переходных процессов в энергосистеме и изменении параметров ветроэнергетической станции (ВЭС) с учетом возможных изменеий других внешних факторов (например, скорости ветра). Применение моделей ограничивается следующим Для оценки применимости моделей см. также 5.2. - приведенные в настоящем стандарте модели ВЭУ предназначены для определения характеристик прямой последовательности основной частоты; - модели не предназначены для анализа долговременной устойчивости; - модели предназначены только для исследований синхронизированных режимов работы (взаимодействий) ВЭУ с ВЭС (другими ВЭУ в ВЭС) и энергосистемой и не предназначены для исследования явлений, происходящих в процессе самосинхронизации до достижения полной синхронизации работы ВЭУ, ВЭС и энергосистемы; - в модели не учитывают такие явления, как наличие гармонических составляющих, пульсации и другие электромагнитные эффекты, указанные в серии стандартов МЭК 61000 [1]; - модели не включают подробные расчеты режимов короткого замыкания; - модели не применимы для изучения систем со слабыми связями, включая ситуации, в которых ВЭУ изолируют от всех источников синхронизированного питания; - в моделях не учитывают динамические характеристики устройств автоматической синхронизации фазы | |
                                                                                   
|