Скачать ГОСТ 9200-2006 Транспорт дорожный. Соединения семиконтактные электрические для автомобилей и тракторов. Общие технические условияДата актуализации: 01.06.2025 ГОСТ 9200-2006
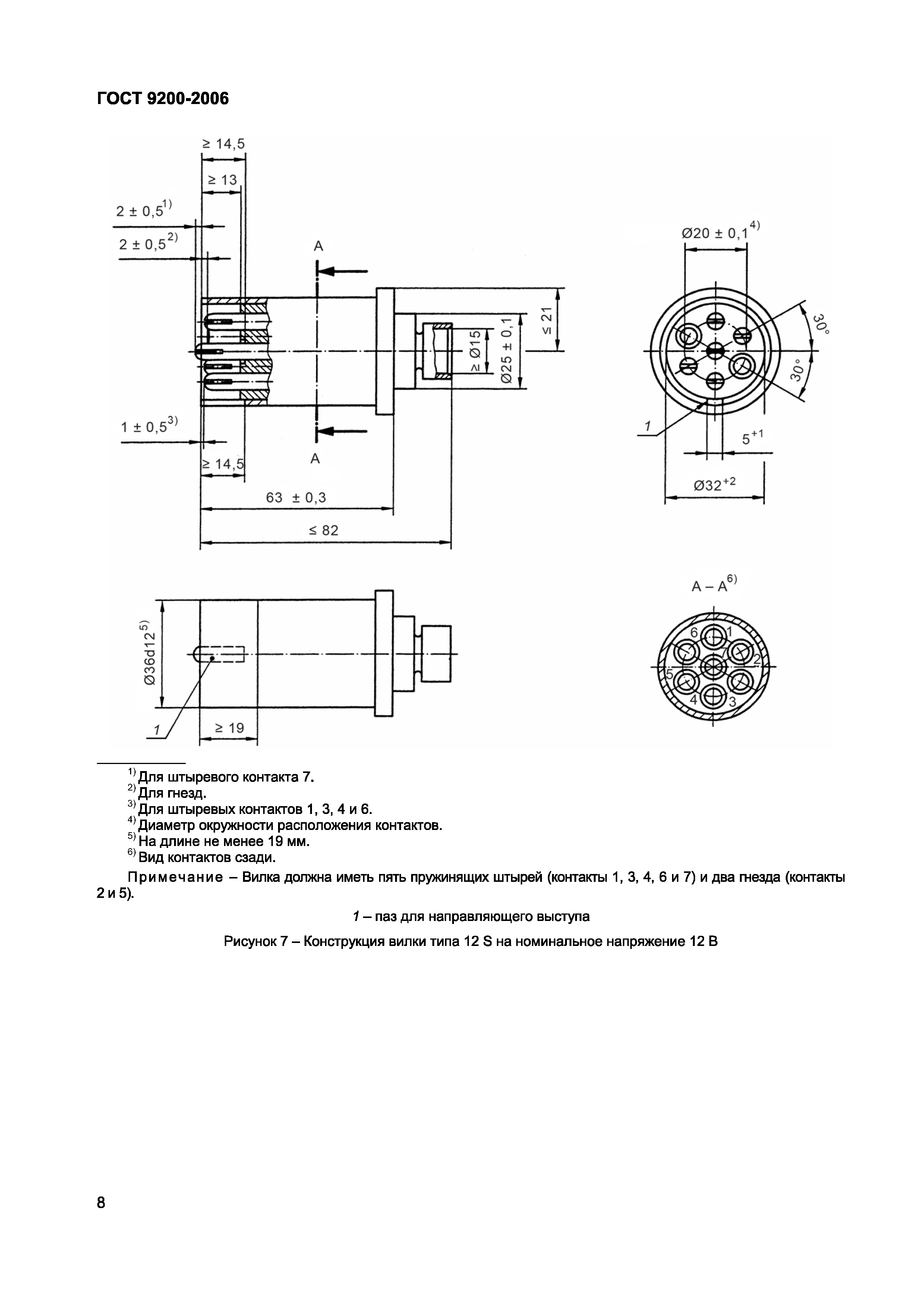
Транспорт дорожный. Соединения семиконтактные электрические для автомобилей и тракторов. Общие технические условия
| Обозначение: |  ГОСТ 9200-2006 |
| Статус: | утверждён |
| Название рус.: | Транспорт дорожный. Соединения семиконтактные электрические для автомобилей и тракторов. Общие технические условия | | Дата актуализации текста: | 01.02.2020 | | Дата актуализации описания: | 01.02.2020 | | Дата введения: | 01.02.2007 | |
                     
|