| Обозначение: |  ГОСТ 25878-2018 |
| Статус: | действующий |
| Название рус.: | Формы стальные для изготовления железобетонных изделий. Поддоны. Технические условия |
| Название англ.: | Steel moulds for reinforced concrete members. Pallets. Specifications |
| Дата актуализации текста: | 01.06.2022 |
| Дата актуализации описания: | 01.07.2023 |
| Дата регистрации: | 20.12.2018 |
| Дата издания: | 02.07.2019 |
| Дата введения: | 01.09.2019 |
| Взамен: | ГОСТ 25878-85 |
| Нормативные ссылки: | ГОСТ 2.312-72; ГОСТ 9.301-86; ГОСТ 9.303-84; ГОСТ 103-2006; ГОСТ 380-2005; ГОСТ 397-79; ГОСТ 977-88; ГОСТ 1050-2013; ГОСТ 2591-2006; ГОСТ 2789-73; ГОСТ 3212-92; ГОСТ 5264-80; ГОСТ 5781-82; ГОСТ 5919-73; ГОСТ 7505-89; ГОСТ 7798-70; ГОСТ 8240-97; ГОСТ 8239-89; ГОСТ 8338-75; ГОСТ 8509-93; ГОСТ 8510-86; ГОСТ 8752-79; ГОСТ 11534-75; ГОСТ 11871-88; ГОСТ 11872-89; ГОСТ 13015-2012; ГОСТ 14771-76; ГОСТ 14792-80; ГОСТ 14959-2016; ГОСТ 19903-2015; ГОСТ 21780-2006; ГОСТ 23117-78; ГОСТ 23518-79; ГОСТ 25346-2013; ГОСТ 25781-83 |
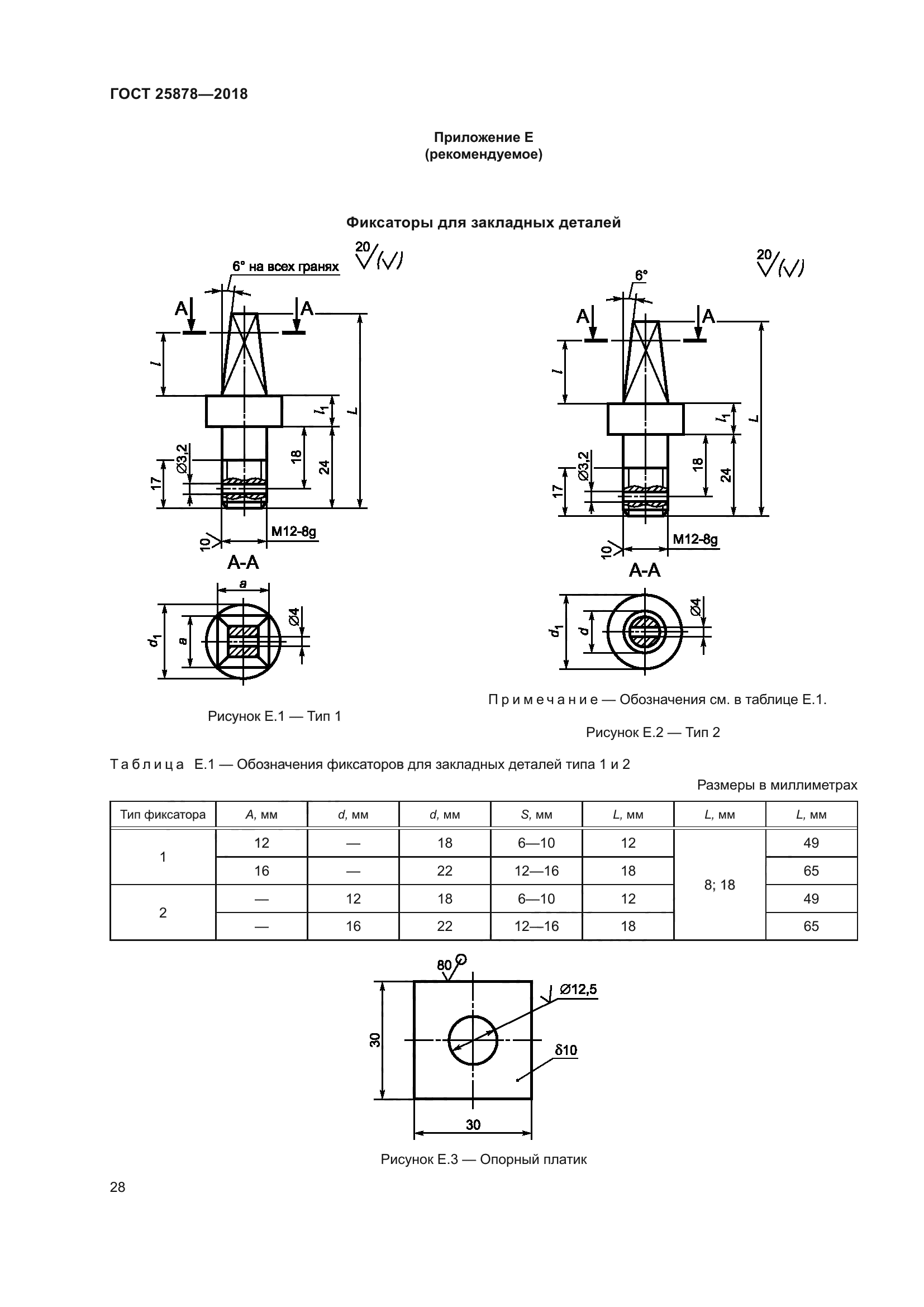
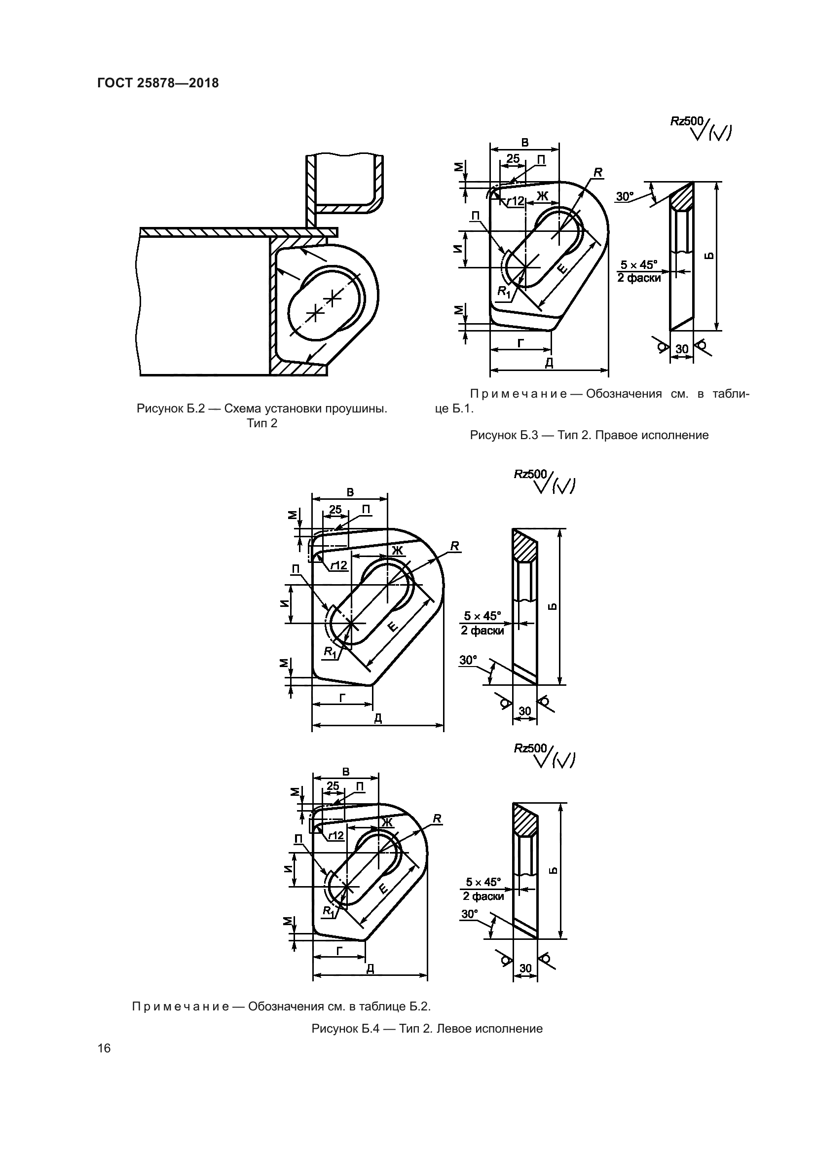
| Область применения: | Настоящий стандарт распространяется на поддоны стальных форм для изготовления железобетонных изделий по ГОСТ 25781 и устанавливает требования к конструкции и размерам основных сборочных единиц и деталей поддонов |
| Приложение №1: | Поправка к ГОСТ 25878-2018 |
|