Скачать ГОСТ 31277-2002 Шум машин. Определение уровней звуковой мощности источников шума по звуковому давлению. Ориентировочный метод с использованием измерительной поверхности над звукоотражающей плоскостьюДата актуализации: 01.06.2025 ГОСТ 31277-2002
Шум машин. Определение уровней звуковой мощности источников шума по звуковому давлению. Ориентировочный метод с использованием измерительной поверхности над звукоотражающей плоскостью
| Обозначение: |  ГОСТ 31277-2002 |
| Статус: | не действует в РФ |
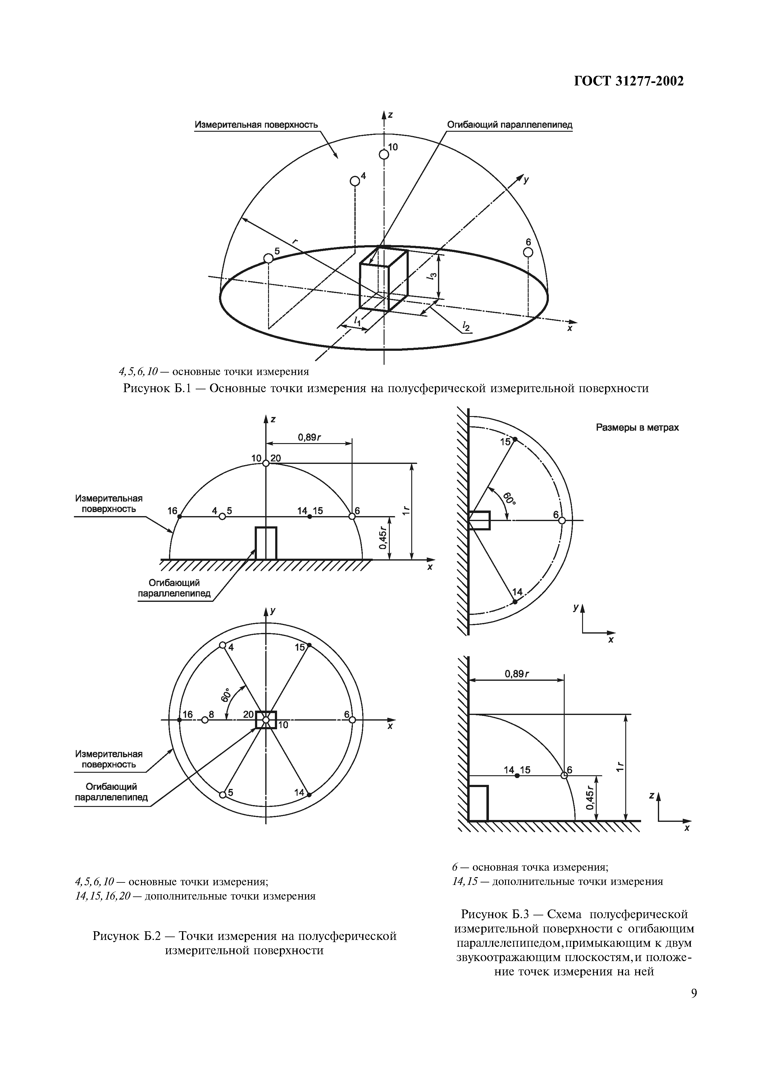
| Название рус.: | Шум машин. Определение уровней звуковой мощности источников шума по звуковому давлению. Ориентировочный метод с использованием измерительной поверхности над звукоотражающей плоскостью | | Дата актуализации текста: | 01.01.2019 | | Дата актуализации описания: | 01.06.2019 | | Дата введения: | 01.01.2005 | |
                 
|