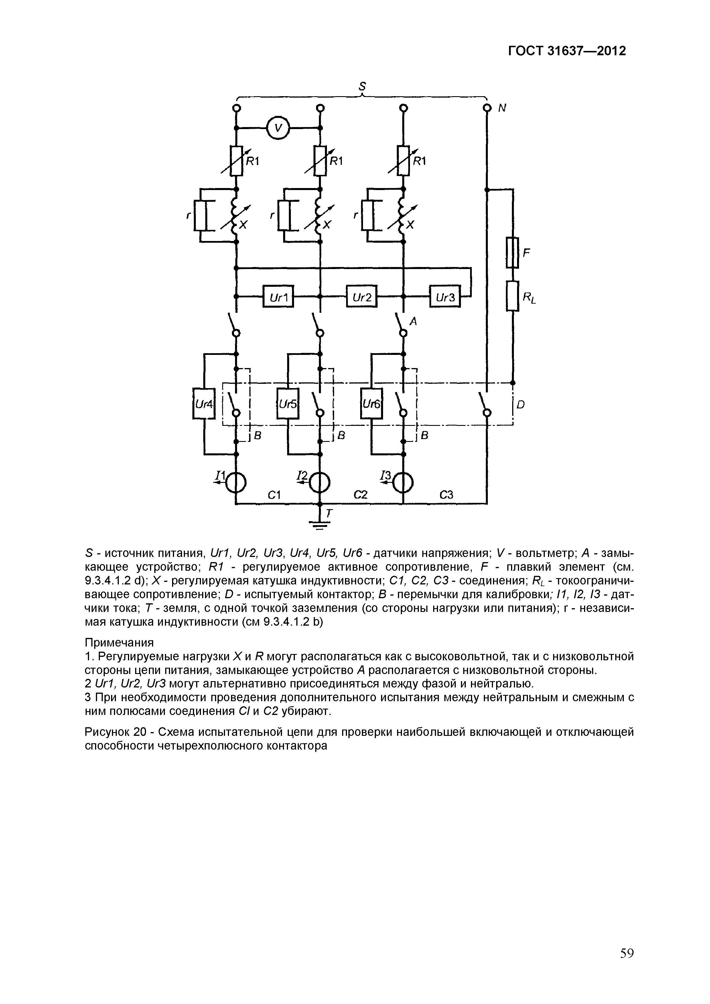
Скачать ГОСТ 31637-2012 контакторы электромеханические бытовые и аналогичного примененияДата актуализации: 01.06.2025 ГОСТ 31637-2012
контакторы электромеханические бытовые и аналогичного применения
| Обозначение: |  ГОСТ 31637-2012 |
| Статус: | не действует в РФ |
| Название рус.: | контакторы электромеханические бытовые и аналогичного применения | | Дата актуализации текста: | 01.01.2019 | | Дата актуализации описания: | 01.06.2019 | | Дата введения: | 15.11.2012 | |
                                                                             
|