Скачать ГОСТ 16350-80 Климат СССР. Районирование и статистические параметры климатических факторов для технических целейДата актуализации: 01.06.2025 ГОСТ 16350-80
Климат СССР. Районирование и статистические параметры климатических факторов для технических целей
| Обозначение: |  ГОСТ 16350-80 |
| Статус: | действующий |
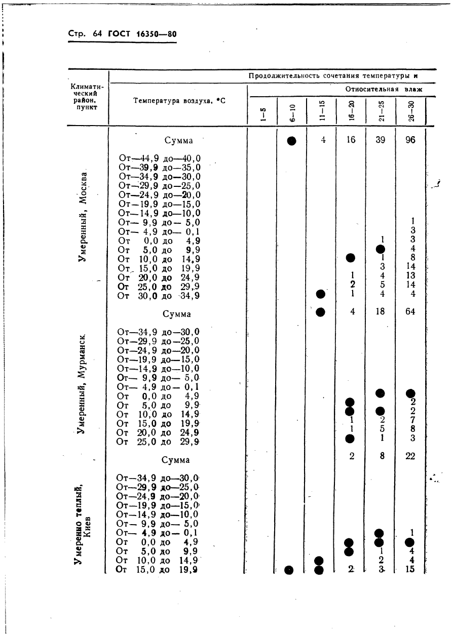
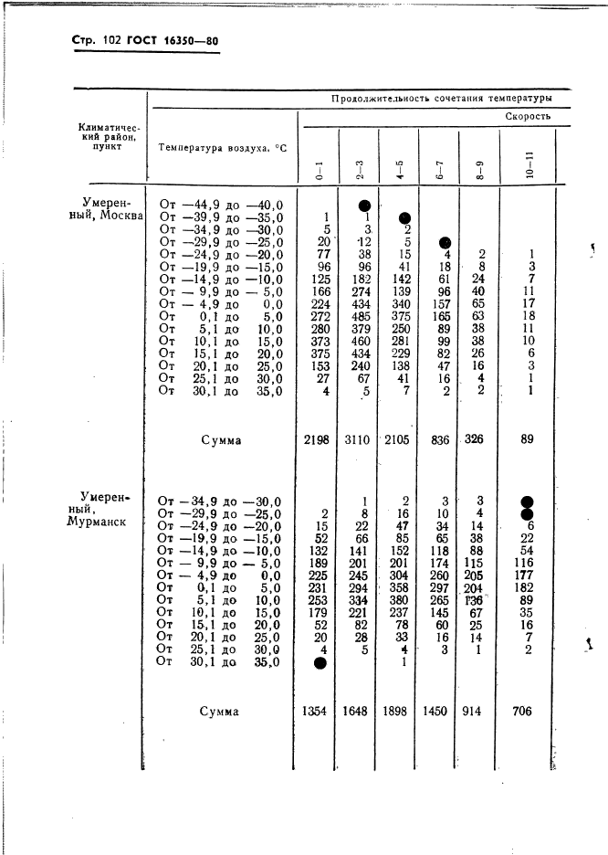
| Название рус.: | Климат СССР. Районирование и статистические параметры климатических факторов для технических целей | | Название англ.: | Climate of the USSR. Regionalizing and statistical parameters of climatic factors for technical purposes | | Дата актуализации текста: | 01.01.2021 | | Дата актуализации описания: | 01.07.2023 | | Дата издания: | 09.04.1981 | | Дата введения: | 01.07.1981 | | Взамен: | ГОСТ 16350-70 | | Нормативные ссылки: | ГОСТ 15150-69 | | Область применения: | Настоящий стандарт устанавливает климатическое районирование территории СССР и статистические параметры климатических факторов, которые должны использоваться при установлении технических требований, выборе режимов испытаний, правил эксплуатации, хранения, транспортирования всех видов машин, приборов и других технических изделий, предназначенных для эксплуатации в одном из климатических районов, установленных настоящим стандартом | |
                                                                                                                                                    
|