| Обозначение: |  ГОСТ 24345-80 |
| Статус: | действующий |
| Название рус.: | Пресс-формы съемные одноместные для изготовления резинотканевых опорных колец. Конструкция и размеры |
| Название англ.: | Portable single-impression press-moulds for manufacturing rubber-fabric carrier rings. Design and dimensions |
| Дата актуализации текста: | 06.04.2015 |
| Дата актуализации описания: | 01.07.2023 |
| Дата издания: | 01.11.2003 |
| Дата введения: | 01.01.1982 |
| Код ОКП: | 396381 |
| Нормативные ссылки: | ГОСТ 9.306-85; ГОСТ 26.008-85; ГОСТ 4543-71; ГОСТ 12486-67; ГОСТ 14901-93; ГОСТ 22704-77 |
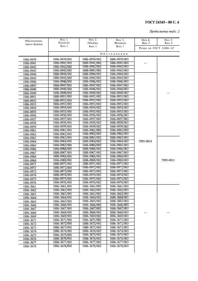
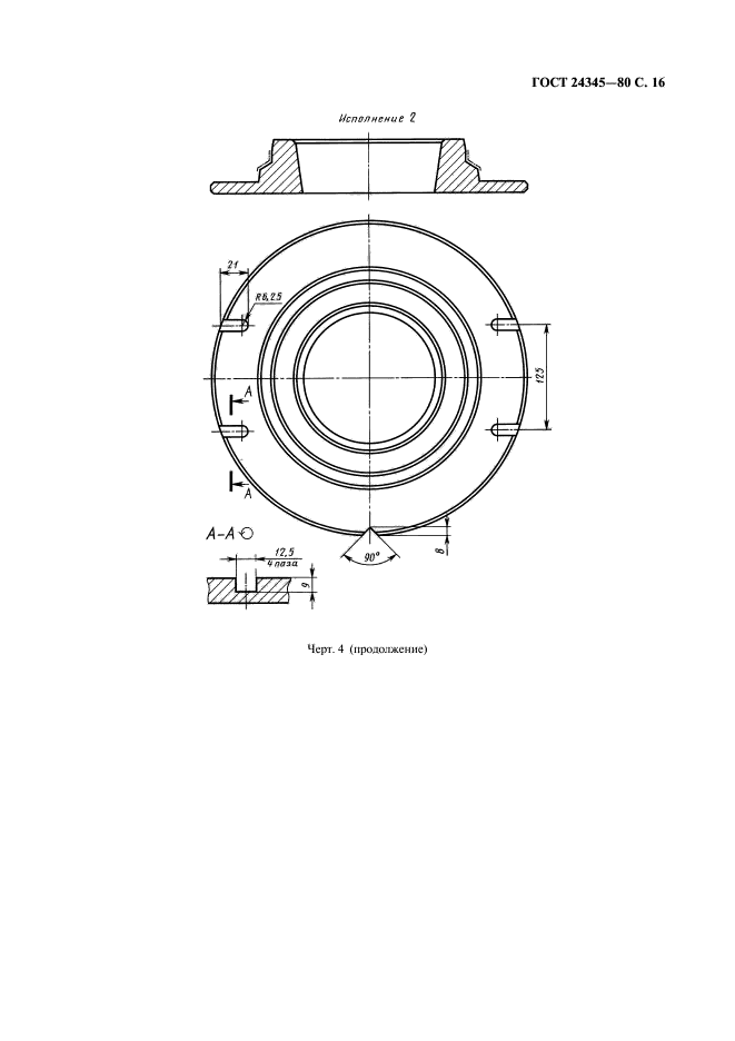
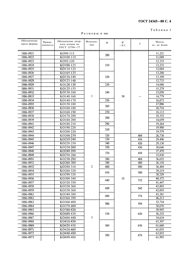
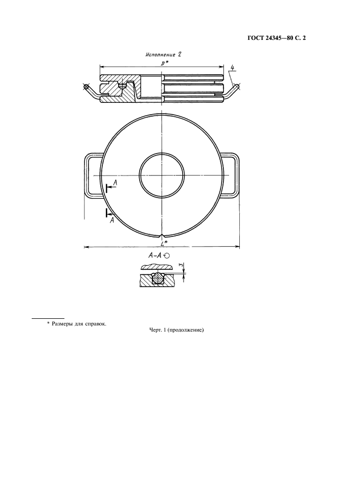
| Область применения: | Настоящий стандарт распространяется на съемные одноместные пресс-формы для изготовления резинотканевых опорных колец по ГОСТ 22704-77 для уплотнения штоков диаметром от 90 до 470 мм и цилиндров диаметром от 115 до 500 мм |
| Список изменений: | №1 от 01.03.1993 (рег. 09.10.1992) «Срок действия продлен» |
|