| Обозначение: |  ГОСТ 33198-2014 |
| Статус: | действующий |
| Название рус.: | Топлива нефтяные. Определение содержания сероводорода. Экспресс-методы жидкофазной экстракции |
| Название англ.: | Oil fuels. Determination of hydrogen sulfide content. Rapid liquid phase extraction method |
| Дата актуализации текста: | 01.01.2019 |
| Дата актуализации описания: | 01.01.2021 |
| Дата регистрации: | 30.06.2017 |
| Дата издания: | 20.11.2018 |
| Дата введения: | 01.01.2019 |
| Аутентичен стандартам: | IP 570/13 |
| Нормативные ссылки: | ISO 13739:2010;IP 475/05 |
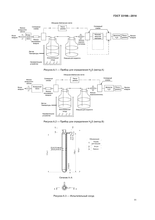
| Область применения: | Настоящий стандарт устанавливает методы определения содержания сероводорода (H2S) в нефтяных топливах, в том числе в судовых остаточных топливах, дистиллятах и базовых компонентах нефтяных смесевых топлив с вязкостью, измеренной в жидкой фазе, до 3000 мм кв.с в степени -1 при 50 °C. Настоящий стандарт устанавливает требования к двум методам A и B с соответствующим оборудованием |
|