| Обозначение: |  ГОСТ 34002-2016 |
| Статус: | действующий |
| Название рус.: | Вентиляторы. Термины и классификация |
| Название англ.: | Fans. Vocabulary and classification |
| Дата актуализации текста: | 01.01.2021 |
| Дата актуализации описания: | 01.07.2023 |
| Дата регистрации: | 25.10.2016 |
| Дата издания: | 29.08.2017 |
| Дата введения: | 01.07.2018 |
| Код ОКП: | 486100 |
| Содержит требования: | ISO 13349:2010 |
| Нормативные ссылки: | ГОСТ 10616-2015; ГОСТ 10921-90; ГОСТ 31353.1-2007; ГОСТ 33660-2015 |
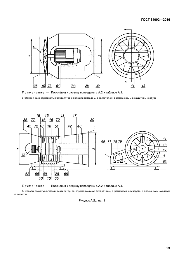
| Область применения: | Настоящий стандарт определяет термины и классификацию вентиляторов различных схем и видов назначения |
|