| Обозначение: |  ГОСТ Р 57177-2016 |
| Статус: | действующий |
| Название рус.: | Индукционно-металлургический способ наплавки. Технологический процесс |
| Название англ.: | The induction-metallurgical method of surfacing. Technological process |
| Дата актуализации текста: | 01.01.2021 |
| Дата актуализации описания: | 01.07.2023 |
| Дата издания: | 28.04.2020 |
| Дата введения: | 01.06.2017 |
| Нормативные ссылки: | ГОСТ 12.1.003; ГОСТ 12.1.004; ГОСТ 12.1.005; ГОСТ 12.1.006; ГОСТ 12.1.030; ГОСТ 12.2.003; ГОСТ 12.2.007.0; ГОСТ 12.2.007.10; ГОСТ 12.2.061; ГОСТ 12.3.002; ГОСТ 162; ГОСТ 166; ГОСТ 427; ГОСТ 2789; ГОСТ 6507; ГОСТ 7502; ГОСТ 7661; ГОСТ 11358; ГОСТ 15150; ГОСТ 23677; ГОСТ 25706; ГОСТ 30494 |
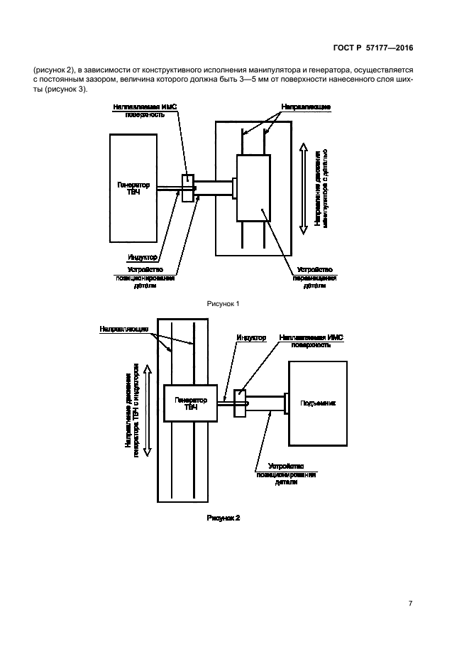
| Область применения: | Настоящий стандарт устанавливает требования к технологическому процессу индукционно-металлургического способа наплавки деталей машин и механизмов, изготовленных из конструкционных низкоуглеродистых, низко- и среднелегированных сталей. Детали могут подвергаться наплавке как при изготовлении, так и при производстве ремонтно-восстановительных работ |
|