Скачать ГОСТ 14254-2015 Степени защиты, обеспечиваемые оболочками (Код IP)Дата актуализации: 01.06.2025 ГОСТ 14254-2015
Степени защиты, обеспечиваемые оболочками (Код IP)
| Обозначение: |  ГОСТ 14254-2015 |
| Статус: | действующий |
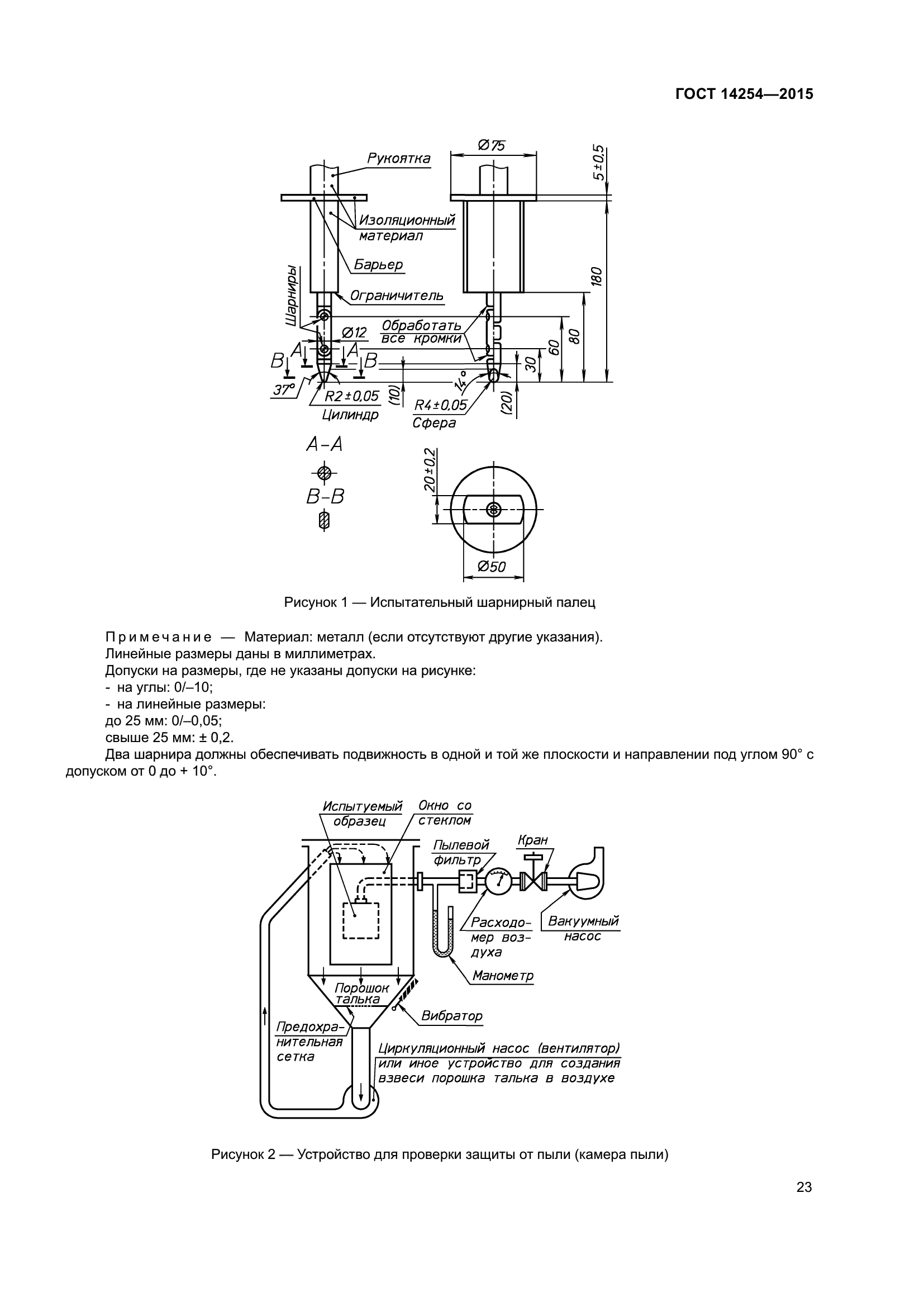
| Название рус.: | Степени защиты, обеспечиваемые оболочками (Код IP) | | Дата актуализации текста: | 01.01.2024 | | Дата актуализации описания: | 01.07.2023 | | Дата регистрации: | 10.12.2015 | | Дата издания: | 22.11.2019 | | Дата введения: | 01.03.2017 | | Взамен: | ГОСТ 14254-96 | | Содержит требования: | IEC 60529(2013) | | Нормативные ссылки: | ГОСТ 12.0.002; ГОСТ 12.1.004; ГОСТ 10178; ГОСТ 15150; ГОСТ 15543.1; ГОСТ 16962.1; ГОСТ 17516.1; ГОСТ 24682; ГОСТ 30852.20; ГОСТ 30630.0.0-99; ГОСТ 30630.2.7-2013 | | Область применения: | Настоящий стандарт распространяется на все виды изделий, для которых требуется нормирование степеней защиты, обеспечиваемые оболочками, от проникновения твердых предметов и воды. Стандарт устанавливает: а) классификацию степеней защиты, обеспечиваемой оболочками, от проникновения твердых предметов (включая защиту людей от доступа к опасным частям изделий и защиту оборудования внутри оболочки от попадания посторонних твердых предметов) и от проникновения воды (защиту оборудования внутри оболочки от вредных воздействий в результате проникновения воды); б) обозначения указанных степеней защиты; в) требования для каждого обозначения; г) методы и режимы контроля и испытаний для проверки оболочек оборудования на соответствие установленной степени защиты. Настоящий стандарт применим только к оболочкам, которые по всем другим показателям соответствуют всем требованиям стандартов на конкретные виды оборудования, а в части материалов и технологии обеспечивают сохранение свойств заданных степеней защиты при нормальных для данного типа изделия условиях эксплуатации. Настоящий стандарт применим также к пустым оболочкам при условии, что выполняются общие требования к испытаниям и выбранной степени защиты для оборудования данного типа | | Приложение №1: | Поправка к ГОСТ 14254-2015 | | Приложение №2: | Поправка к ГОСТ 14254-2015 | |
                                        
Поправка к ГОСТ 14254-2015
| Обозначение: | Поправка к ГОСТ 14254-2015 |
| Дата введения: | 20.03.2019 |

Поправка к ГОСТ 14254-2015
| Обозначение: | Поправка к ГОСТ 14254-2015 |
| Дата введения: | 13.07.2023 |
|