Скачать ГОСТ 33533-2015 Хвостовики инструментов полые конические (HSK). Тип F. Основные размерыДата актуализации: 01.06.2025 ГОСТ 33533-2015
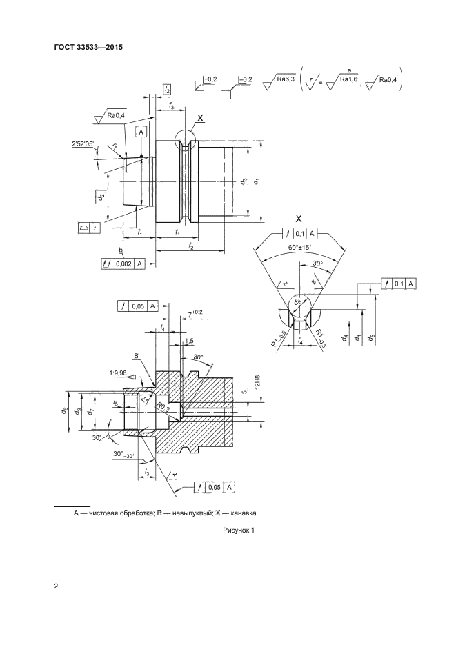
Хвостовики инструментов полые конические (HSK). Тип F. Основные размеры
| Обозначение: |  ГОСТ 33533-2015 |
| Статус: | действующий |
| Название рус.: | Хвостовики инструментов полые конические (HSK). Тип F. Основные размеры | | Дата актуализации текста: | 01.01.2021 | | Дата актуализации описания: | 01.01.2021 | | Дата регистрации: | 29.09.2015 | | Дата издания: | 04.08.2020 | | Дата введения: | 01.01.2017 | | Нормативные ссылки: | ГОСТ 30893.1 | | Область применения: | Настоящий стандарт распространяется на размеры полых конических хвостовиков (HSK) с прилеганием по плоскости к торцу шпинделя обрабатывающих фрезерно-расточных центров. Настоящий стандарт распространяется на хвостовики типа F для автоматической смены инструмента, предназначенного для обработки легких сплавов, древесины, древесных материалов, искусственных материалов, комбинированных материалов и других подобных материалов. Крутящий момент передается силой трения конуса и плоской контактной поверхностью | |
         
|