| Обозначение: |  ГОСТ Р 56788-2015 |
| Статус: | заменён |
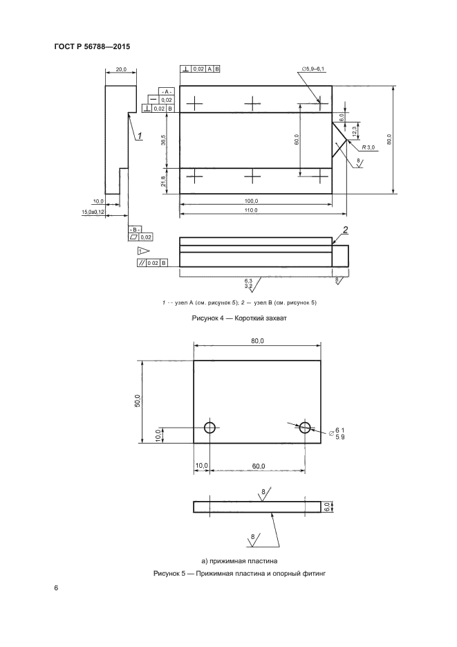
| Название рус.: | Композиты полимерные. Метод определения предела прочности при сжатии образцов ламинатов с открытым отверстием |
| Дата актуализации текста: | 01.01.2021 |
| Дата актуализации описания: | 01.06.2024 |
| Дата издания: | 30.05.2019 |
| Дата введения: | 01.01.2017 |
| Дата окончания срока действия: | 01.03.2024 |
| Заменяющий: | ГОСТ Р 56788-2023 |
| Содержит требования: | ASTM D6484/D6484 M-09 |
| Нормативные ссылки: | ГОСТ 166-89; ГОСТ 6507-90; ГОСТ 24888-81; ГОСТ 28840-90; ГОСТ 32794-2014; ГОСТ Р 8.585-2001; ГОСТ Р 56679-2015; ГОСТ Р 56682-2015; ГОСТ Р 56760-2015; ГОСТ Р 56762-2015; ГОСТ Р 56785-2015; ГОСТ Р 56806-2015; ГОСТ Р 56807-2015; ГОСТ Р 56813-2015 |
| Область применения: | Настоящий стандарт распространяется на полимерные композиты (ПК), армированные непрерывными или дискретными волокнами. Стандарт устанавливает метод определения прочности при сжатии образцов материалов с открытым отверстием |
|