| Обозначение: |  ГОСТ Р 56578-2015 |
| Статус: | действующий |
| Название рус.: | Головки шлифовальные. Технические условия |
| Дата актуализации текста: | 01.01.2021 |
| Дата актуализации описания: | 01.07.2023 |
| Дата издания: | 20.05.2020 |
| Дата введения: | 01.07.2016 |
| Код ОКП: | 398100 |
| Нормативные ссылки: | ГОСТ Р 52381; ГОСТ Р 52587; ГОСТ Р 52588; ГОСТ 15.309; ГОСТ 577; ГОСТ 2789; ГОСТ 14192; ГОСТ 24643; ГОСТ 27595 |
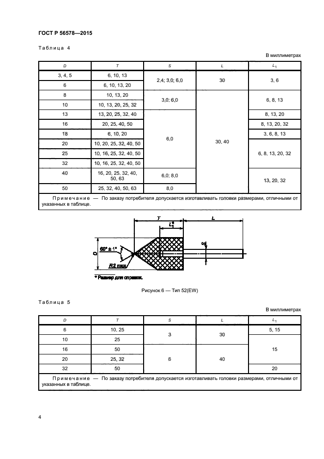
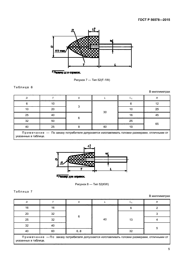
| Область применения: | Настоящий стандарт распространяется на шлифовальные головки из электрокорундовых (А), карбидкремниевых (С) материалов на керамической связке (V) |
|