| Обозначение: |  ГОСТ 33170-2014 |
| Статус: | действующий |
| Название рус.: | Краны грузоподъемные. Краны башенные. Устройства для установки. Общие требования |
| Дата актуализации текста: | 01.01.2021 |
| Дата актуализации описания: | 01.07.2023 |
| Дата регистрации: | 05.12.2014 |
| Дата издания: | 27.10.2015 |
| Дата введения: | 01.01.2016 |
| Нормативные ссылки: | ГОСТ 9.032-79; ГОСТ 9.104-79; ГОСТ 2991-85; ГОСТ 10198-91; ГОСТ 13556-91; ГОСТ 14192-96; ГОСТ 15150-69; ГОСТ 25646-95; ГОСТ 27555-87 |
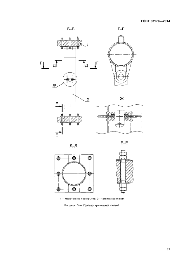
| Область применения: | Настоящий стандарт устанавливает общие требования к проектированию, изготовлению и эксплуатации опорных креплений башенных кранов к строительным сооружениям |
| Список изменений: | №0 от 21.09.2017 (рег. 21.09.2017) «Изменено заглавие» |
| Приложение №1: | Изменение к ГОСТ 33170-2014. Изменено заглавие |
|