| Обозначение: |  ГОСТ 32832.1-2014 |
| Статус: | действующий |
| Название рус.: | Оправки с продольной шпонкой и поводковым срезом для насадных фрез. Часть 1. Основные размеры |
| Дата актуализации текста: | 01.01.2021 |
| Дата актуализации описания: | 01.07.2023 |
| Дата регистрации: | 25.06.2014 |
| Дата издания: | 21.08.2020 |
| Дата введения: | 01.01.2016 |
| Код ОКП: | 392880 |
| Содержит требования: | ISO 10649-1:2010 |
| Нормативные ссылки: | ГОСТ ISO 898-1-2014; ГОСТ 1759.4; ГОСТ 9472; ГОСТ 16093; ГОСТ 23360; ГОСТ 24705; ГОСТ 30893.1; ГОСТ 30893.2 |
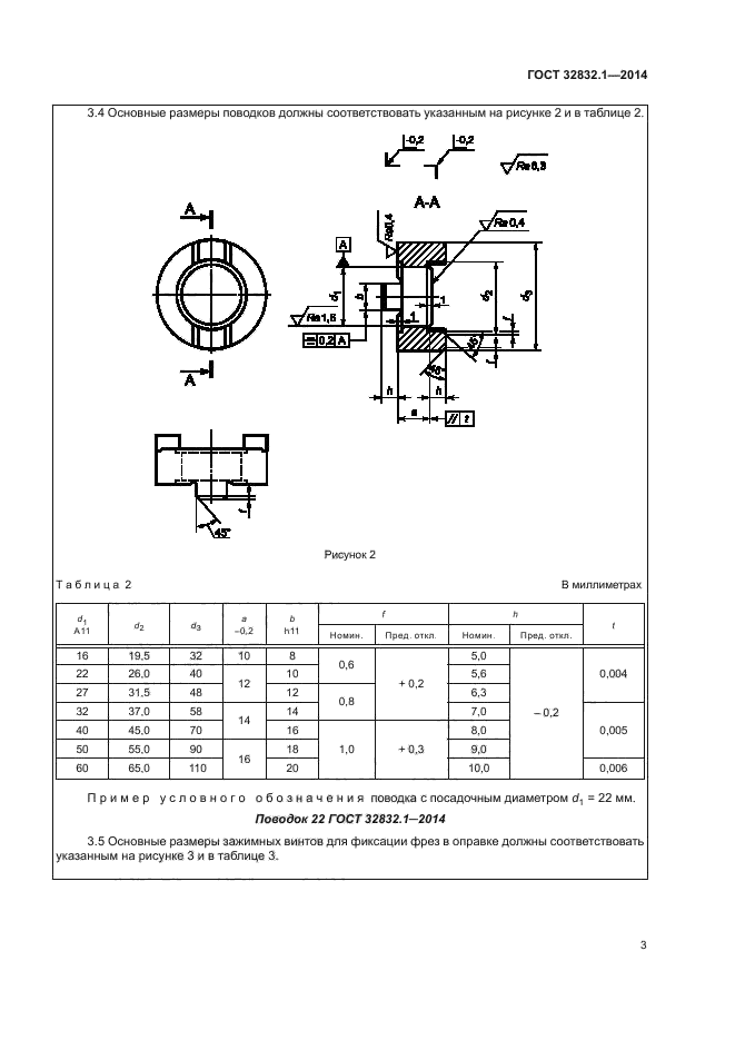
| Область применения: | Настоящий стандарт распространяется на основные размеры оправок с продольной шпонкой и поводковым срезом для насадных фрез |
|