| Обозначение: |  ГОСТ 33142-2014 |
| Статус: | действующий |
| Название рус.: | Дороги автомобильные общего пользования. Битумы нефтяные дорожные вязкие. Метод определения температуры размягчения. Метод Кольцо и Шар |
| Дата актуализации текста: | 01.01.2021 |
| Дата актуализации описания: | 01.07.2023 |
| Дата регистрации: | 05.12.2014 |
| Дата издания: | 24.09.2019 |
| Дата введения: | 01.10.2015 |
| Нормативные ссылки: | ГОСТ 12.1.004; ГОСТ 12.1.005; ГОСТ 12.1.007; ГОСТ 12.1.044; ГОСТ 12.4.131; ГОСТ 12.4.132; ГОСТ 427; ГОСТ 859; ГОСТ 2517; ГОСТ 6034; ГОСТ 6259; ГОСТ 6613; ГОСТ 6709; ГОСТ 6823; ГОСТ 6824; ГОСТ 15527; ГОСТ 17711; ГОСТ 21235; ГОСТ 21241; ГОСТ 28846; ГОСТ 33133 |
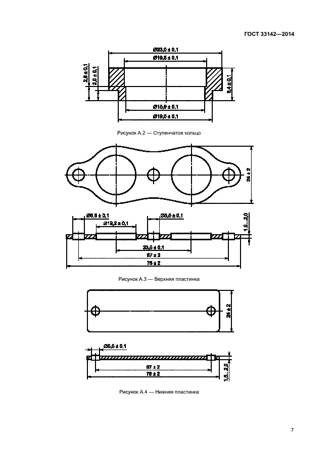
| Область применения: | Настоящий стандарт распространяется на битумы нефтяные дорожные вязкие, предназначенные в качестве вяжущего материала при строительстве, реконструкции и ремонте дорожных покрытий и устанавливает метод определения температуры размягчения битумов по кольцу и шару от 30 °С до 80 °С |
| Список изменений: | №0 от 23.07.2018 (рег. 23.07.2018) «Дата введения перенесена» |
| Приложение №1: | Поправка к ГОСТ 33142-2014 |
| Приложение №2: | Поправка к ГОСТ 33142-2014 |
|