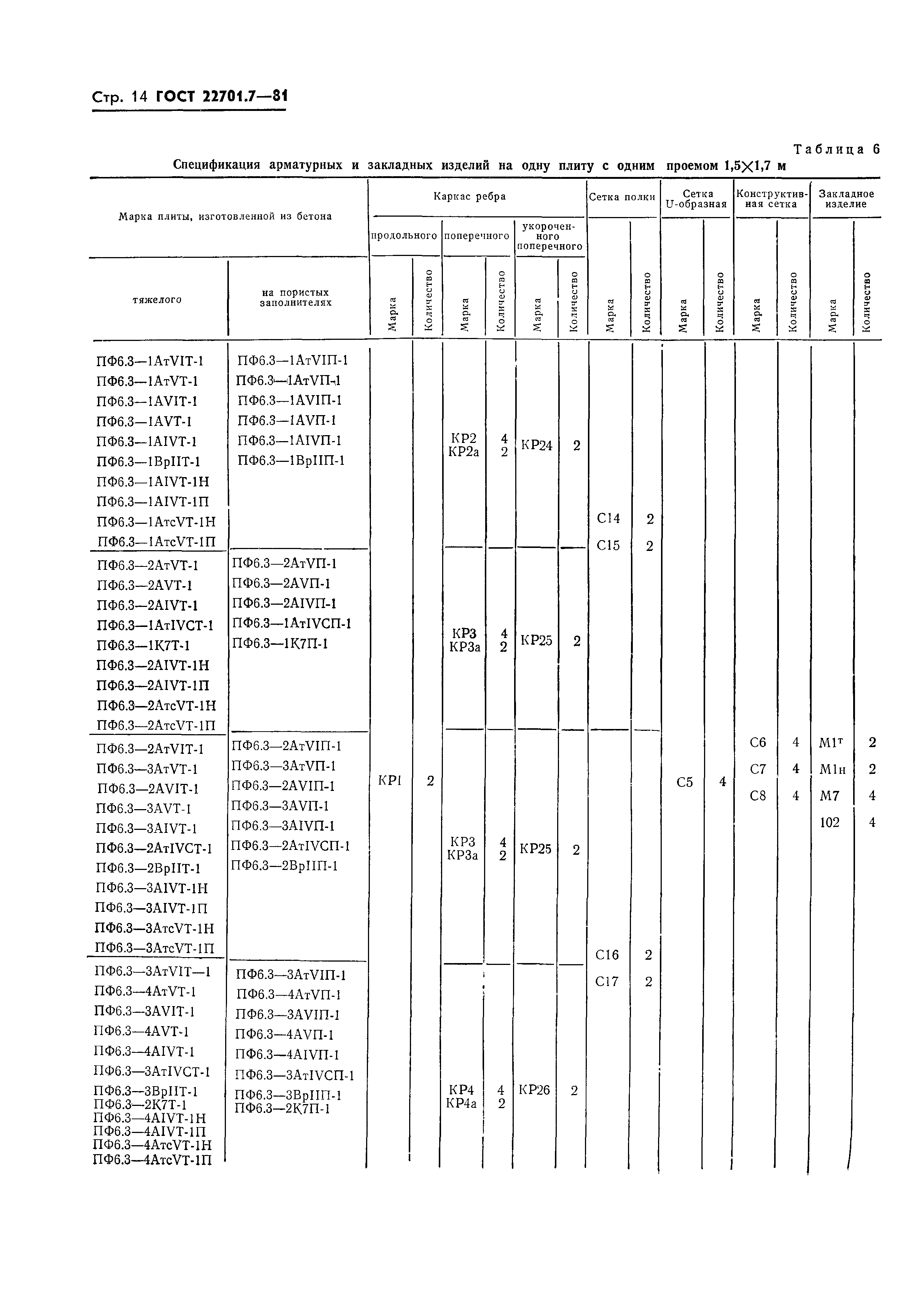
Скачать ГОСТ 22701.7-81 Плиты железобетонные ребристые предварительно напряженные размерами 6х3 м для покрытий производственных зданий. Плиты типа ПФ с проемами 1,5х1,7 м. Конструкция и размерыДата актуализации: 01.06.2025 ГОСТ 22701.7-81
Плиты железобетонные ребристые предварительно напряженные размерами 6х3 м для покрытий производственных зданий. Плиты типа ПФ с проемами 1,5х1,7 м. Конструкция и размеры
| Обозначение: |  ГОСТ 22701.7-81 |
| Статус: | не действует в РФ |
| Название рус.: | Плиты железобетонные ребристые предварительно напряженные размерами 6х3 м для покрытий производственных зданий. Плиты типа ПФ с проемами 1,5х1,7 м. Конструкция и размеры | | Дата актуализации текста: | 06.04.2015 | | Дата актуализации описания: | 01.06.2019 | |
                           
|