| Обозначение: |  ГОСТ 32068-2013 |
| Статус: | действующий |
| Название рус.: | Техника телефонная абонентская. Требования безопасности и методы испытаний |
| Дата актуализации текста: | 01.07.2023 |
| Дата актуализации описания: | 01.07.2023 |
| Дата регистрации: | 25.03.2013 |
| Дата издания: | 20.01.2015 |
| Дата введения: | 01.01.2015 |
| Нормативные ссылки: | ГОСТ 8.051; ГОСТ 8.417; ГОСТ 12.1.004; ГОСТ 12.1.044; ГОСТ 166; ГОСТ 427; ГОСТ 6507; ГОСТ 7153; ГОСТ 7328; ГОСТ 7396.1; ГОСТ 8711; ГОСТ 8810; ГОСТ 14254; ГОСТ 15088; ГОСТ 19472; ГОСТ 25874; ГОСТ 28002 |
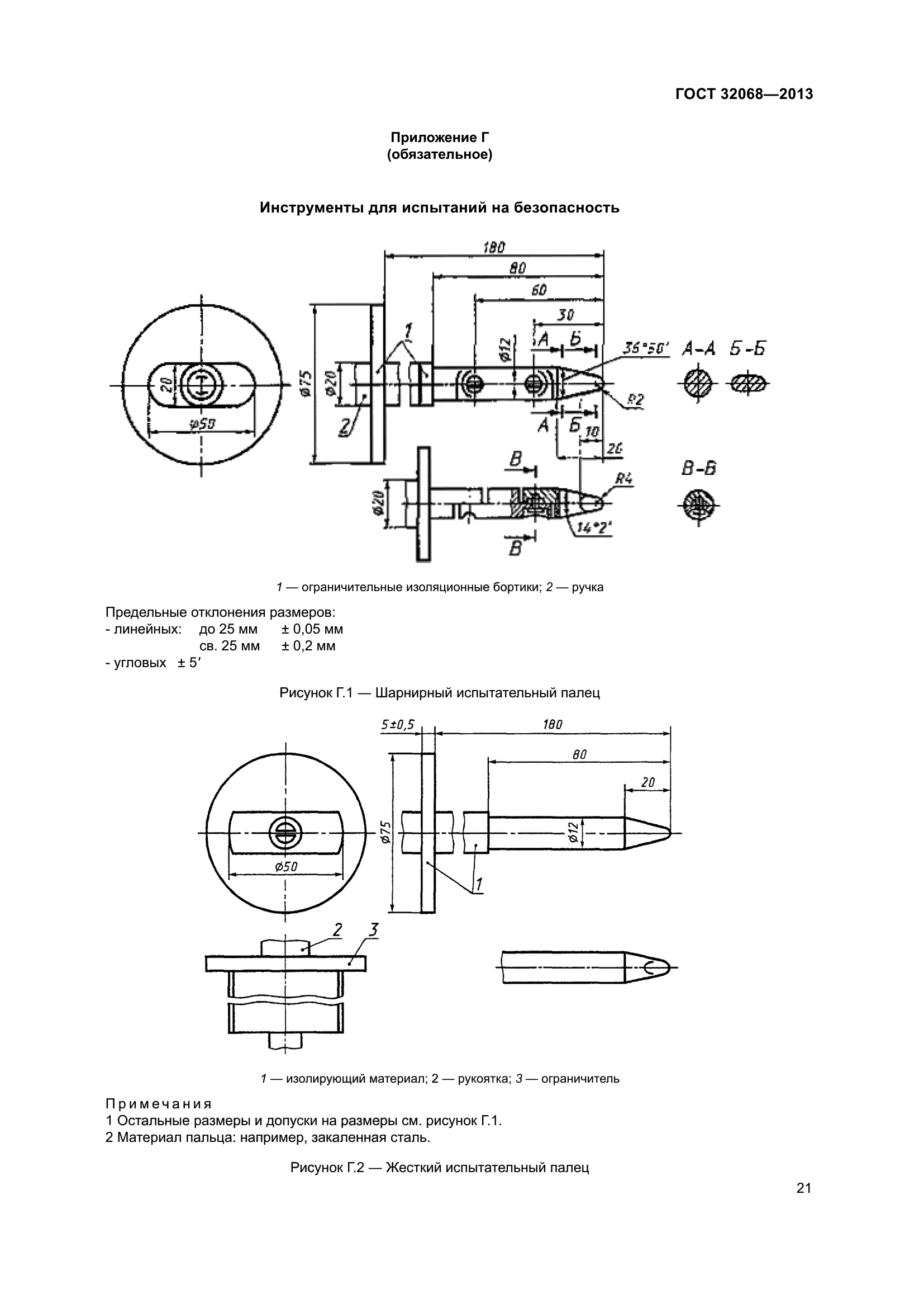
| Область применения: | Настоящий стандарт устанавливает нормы, правила и методы испытаний, являющиеся общими для всей абонентской телефонной техники (АТТ), соблюдение которых обеспечивает безопасность пользователей. Требования настоящего стандарта являются обязательными при сертификации АТТ. Стандарт относится только к безопасности АТТ и не распространяется на другие ее свойства |
| Приложение №1: | Поправка к ГОСТ 32068-2013 |
|