| Обозначение: |  ГОСТ 32484.3-2013 |
| Статус: | действующий |
| Название рус.: | Болтокомплекты высокопрочные для предварительного натяжения конструкционные. Система HR - комплекты шестигранных болтов и гаек |
| Дата актуализации текста: | 01.01.2023 |
| Дата актуализации описания: | 01.07.2023 |
| Дата регистрации: | 14.11.2013 |
| Дата издания: | 02.10.2014 |
| Дата введения: | 01.07.2015 |
| Код ОКП: | 160000;168000 |
| Содержит требования: | EN 14399-3:2005 |
| Нормативные ссылки: | ISO 898-1:2013;ISO 898-2;ISO 965-2:1998;ISO 965-5:1998;ISO 3269:2000;ISO 4759-1:2000;ISO 6157-1:1998;ISO 6157-2:1995;ISO 10683:2000; ГОСТ 9.306-85; ГОСТ 9.307-89; ГОСТ 8724-2002; ГОСТ 9454-78; ГОСТ 15150-69; ГОСТ 32484.1-2013; ГОСТ 32484.2-2013; ГОСТ 32484.4-2013; ГОСТ 32484.5-2013; ГОСТ 32484.6-2013;ГОСТ ISO 2859-1-2009; ГОСТ Р ИСО 898-1-2011; ГОСТ Р ИСО 898-2-2013; ГОСТ Р ИСО 3269-2009; ГОСТ Р ИСО 4759-1-2009; ГОСТ Р ИСО 6157-1-2009; ГОСТ Р ИСО 6157-2-2009; ГОСТ Р ИСО 10683-2013; ГОСТ Р 9.316-2006;EN 13811:2003 |
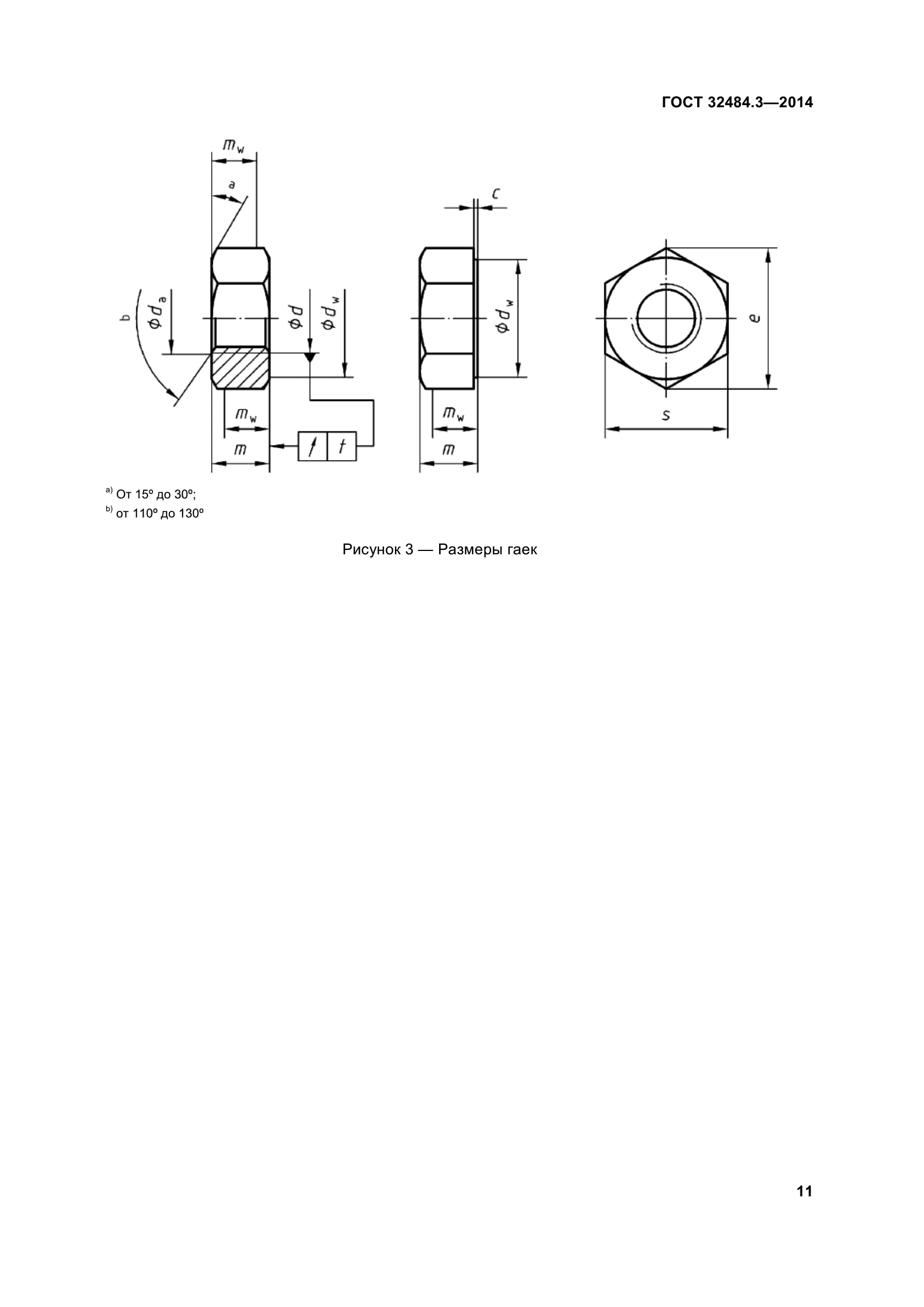
| Область применения: | Настоящий стандарт совместно с ГОСТ 32484.1 устанавливает требования для комплектов высокопрочных болтов и гаек системы HR для соединений с предварительным натяжением с увеличенным размером под ключ, с резьбой от М12 до М36 классов прочности 8.8/8 и 10.9/10, применяемых в болтовых соединениях металлических конструкций в строительстве и машиностроении, эксплуатируемых в различных макроклиматических районах по ГОСТ 15150. Болт и гайка в этом стандарте были разработаны так, чтобы достигать усилия предварительного натяжения не менее 0,7fub x As (0,7 от номинального предела прочности на площадь сечения болта) и получить податливость за счет преимущественной пластической деформации стержня болта. Для этой цели компоненты болтокомплекта имеют следующие характеристики: - высота гайки соответствует, в среднем, 0,85 диаметра резьбы; - болт с нормальной длиной резьбы. Болт и гайка согласно этому документу применяют совместно с шайбами по ГОСТ 32484.6 или ГОСТ 32484.5 (только под гайку). Метод испытания на предварительное натяжение установлен в ГОСТ 32484.2 |
| Список изменений: | №0 от 04.03.2015 (рег. 04.03.2015) «Дата введения перенесена» |
| Приложение №1: | Поправка к ГОСТ 32484.3-2013 |
| Приложение №2: | Поправка к ГОСТ 32484.3-2013 |
|