| Обозначение: |  ГОСТ 32330-2013 |
| Статус: | действующий |
| Название рус.: | Масла смазочные. Определение потерь от испарения методом Ноак |
| Дата актуализации текста: | 01.01.2021 |
| Дата актуализации описания: | 01.07.2023 |
| Дата регистрации: | 18.10.2013 |
| Дата издания: | 01.09.2014 |
| Дата введения: | 01.01.2015 |
| Аутентичен стандартам: | ASTM D 5800-10 |
| Нормативные ссылки: | ASTM D 4057;ASTM D 4177;ASTM D 6299;ASTM D 6300;DIN 1725;DIN 12785 |
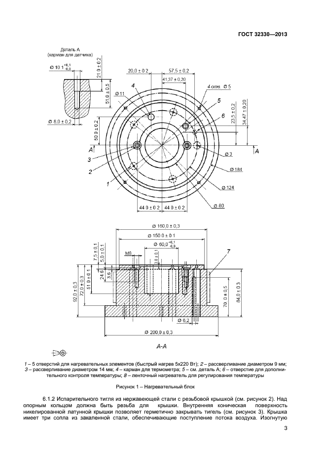
| Область применения: | Настоящий стандарт устанавливает методы определения потерь от испарения смазочных масел (в т. ч. моторных): метод A - с использованием аппарата Ноак; метод B - с использованием автоматического аппарата Ноак без сплава Вуда; метод C - с использованием аппарата Селби-Ноак. Настоящий стандарт устанавливает требования к проведению испытаний, при необходимости их можно адаптировать к другим условиям |
|