| Обозначение: |  ГОСТ 32129-2013 |
| Статус: | действующий |
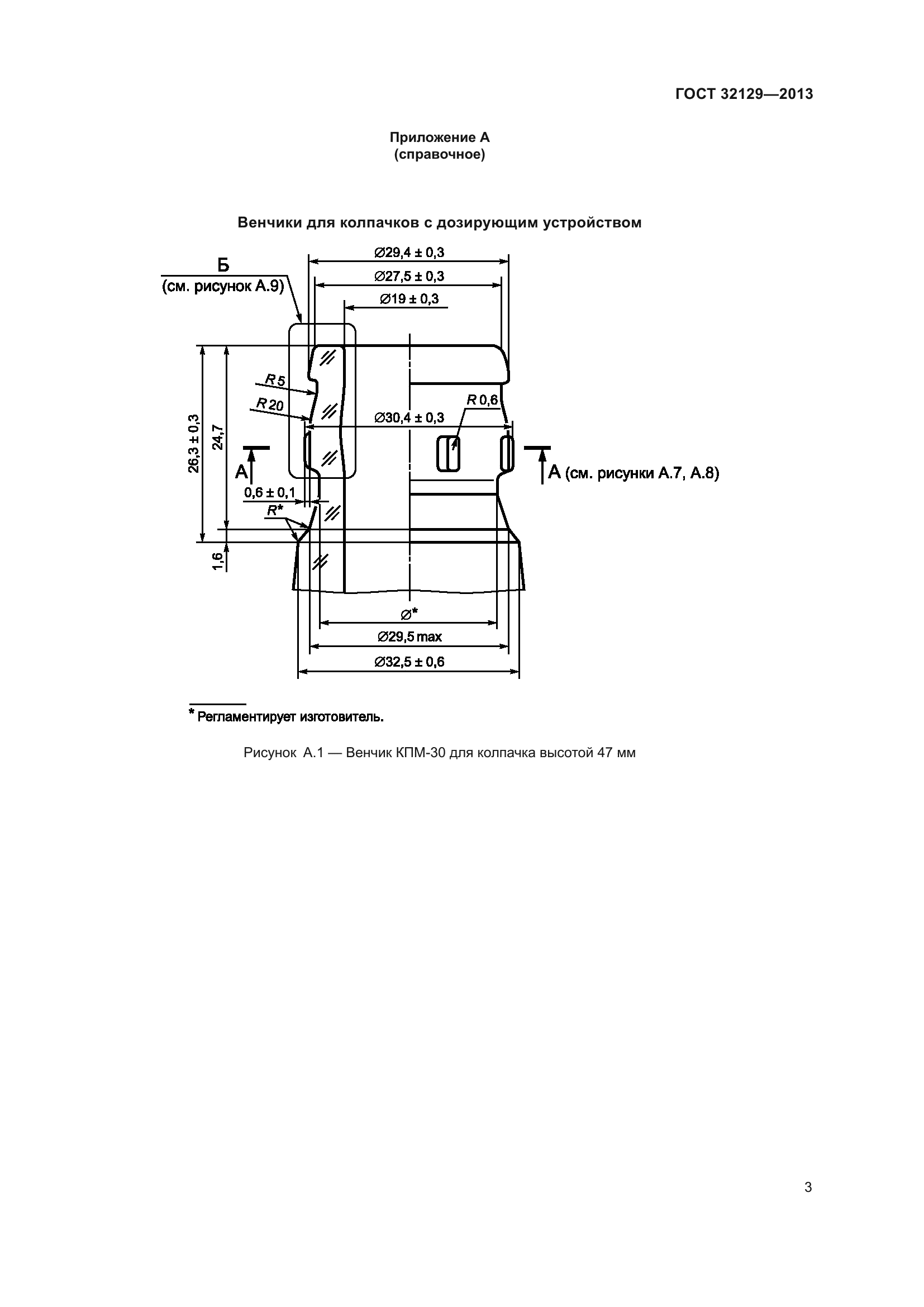
| Название рус.: | Бутылки стеклянные. Венчики горловин. Типы и размеры. Часть 1. Венчик типа КПМ-30 |
| Дата актуализации текста: | 01.06.2022 |
| Дата актуализации описания: | 01.01.2021 |
| Дата регистрации: | 25.03.2013 |
| Дата издания: | 19.04.2019 |
| Дата введения: | 01.01.2014 |
| Нормативные ссылки: | ГОСТ 17527 |
| Область применения: | Настоящий стандарт распространяется на модифицированный венчик типа КПМ-30 горловины стеклянной бутылки для винтовых колпачков с дозирующим устройством, предотвращающим повторное наполнение бутылки |
|