| Обозначение: |  ГОСТ 31972-2013 |
| Статус: | не действует в РФ |
| Название рус.: | Автомобильные транспортные средства. Порядок и процедуры методов контроля установки газобаллонного оборудования |
| Дата актуализации текста: | 01.01.2021 |
| Дата актуализации описания: | 01.07.2023 |
| Дата регистрации: | 07.06.2013 |
| Дата издания: | 17.09.2019 |
| Дата введения: | 01.09.2014 |
| Дата окончания срока действия: | 01.05.2020 |
| Код ОКП: | 456140;459137 |
| На территории РФ пользоваться: | ГОСТ Р 58697-2019 |
| Нормативные ссылки: | ГОСТ 27577 |
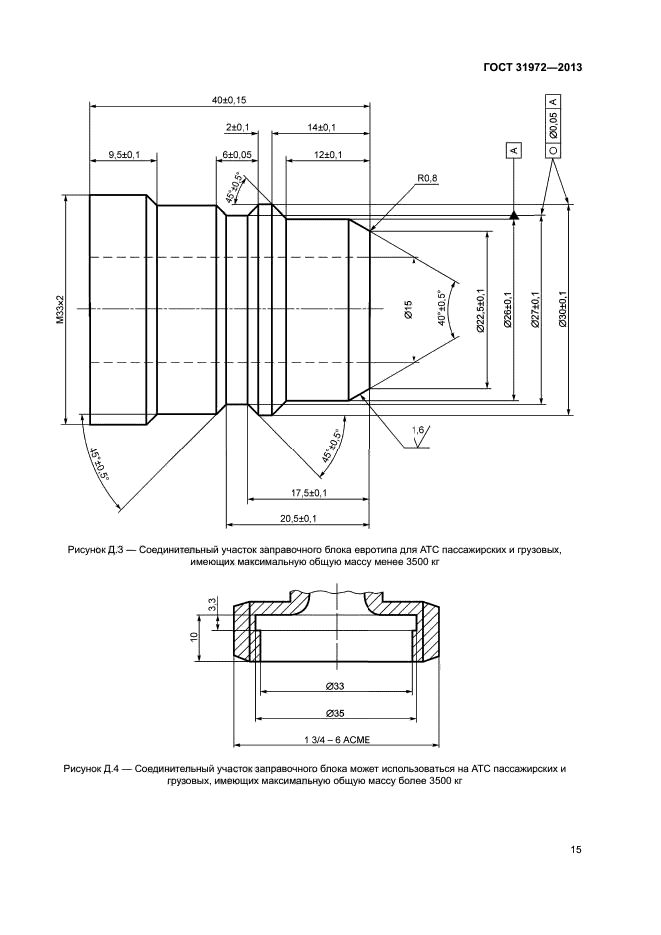
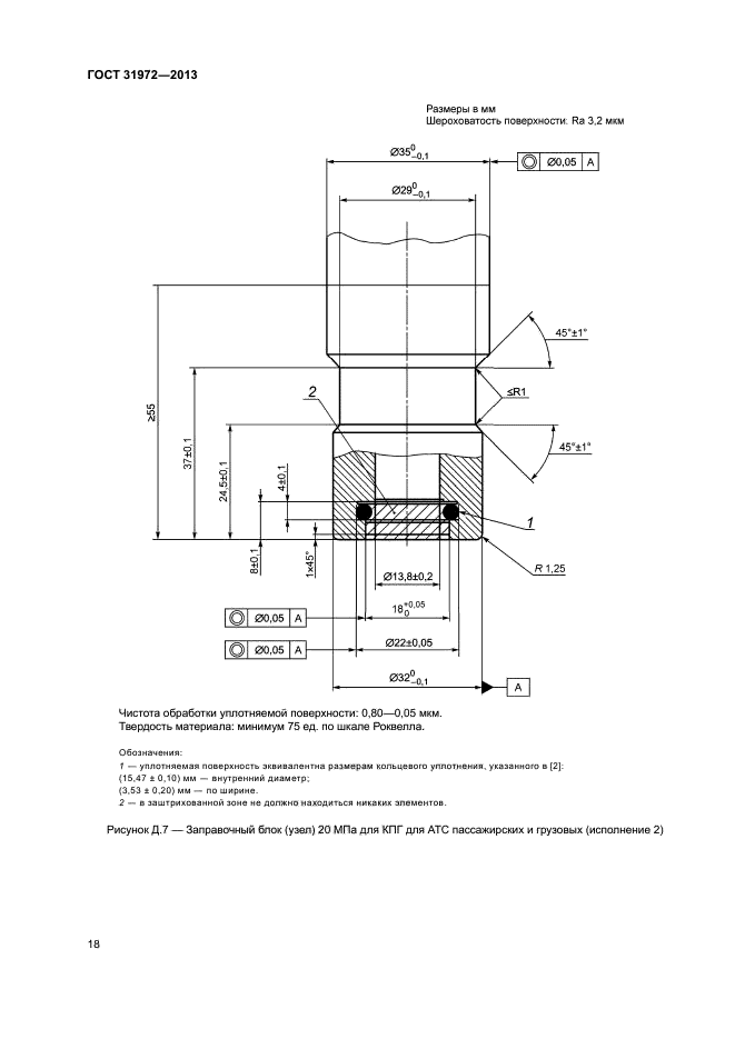
| Область применения: | Настоящий стандарт распространяется на автомобильные транспортные средства пассажирские и грузовые, имеющие двигатели внутреннего сгорания с искровым зажиганием как с карбюраторной системой питания, так и с системой впрыска топлива и двигатели внутреннего сгорания с воспламенением от сжатия и двухтопливной системой питания (газодизели), и устанавливает порядок и процедуры методов контроля установки на них газобаллонного оборудования. Установку газобаллонного оборудования производят в целях использования в двигателях внутреннего сгорания в качестве моторного топлива автомобильных марок сжиженных углеводородных газов: марки ПА и ПБА - или компримированного природного газа по ГОСТ 27577 |
| Список изменений: | №0 от 05.04.2017 (рег. 05.04.2017) «Дата введения перенесена» |
| Приложение №1: | Поправка к ГОСТ 31972-2013 |
| Приложение №2: | Поправка к ГОСТ 31972-2013 |
|