| Обозначение: |  ГОСТ 30805.16.1.4-2013 |
| Статус: | не действует в РФ |
| Название рус.: | Совместимость технических средств электромагнитная. Требования к аппаратуре для измерения параметров индустриальных радиопомех и помехоустойчивости и методы измерений. Часть 1-4. Аппаратура для измерения параметров индустриальных радиопомех и помехоустойчивости. Устройства для измерения излучаемых радиопомех и испытаний на устойчивость к излучаемым радиопомехам |
| Дата актуализации текста: | 06.04.2015 |
| Дата актуализации описания: | 01.07.2023 |
| Дата регистрации: | 25.03.2013 |
| Дата издания: | 12.03.2014 |
| Дата введения: | 01.01.2014 |
| Дата окончания срока действия: | 01.01.2015 |
| Содержит требования: | CISPR 16-1-4:2007 |
| На территории РФ пользоваться: | ГОСТ CISPR 16-1-4-2013 |
| Нормативные ссылки: | ГОСТ 30372-95; ГОСТ 30805.16.1.1-2013; ГОСТ 30805.16.2.3-2013; ГОСТ 30805.16.4.2-2013 |
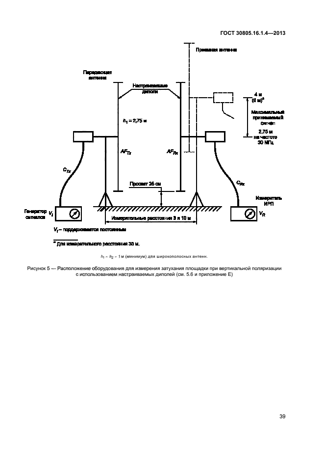
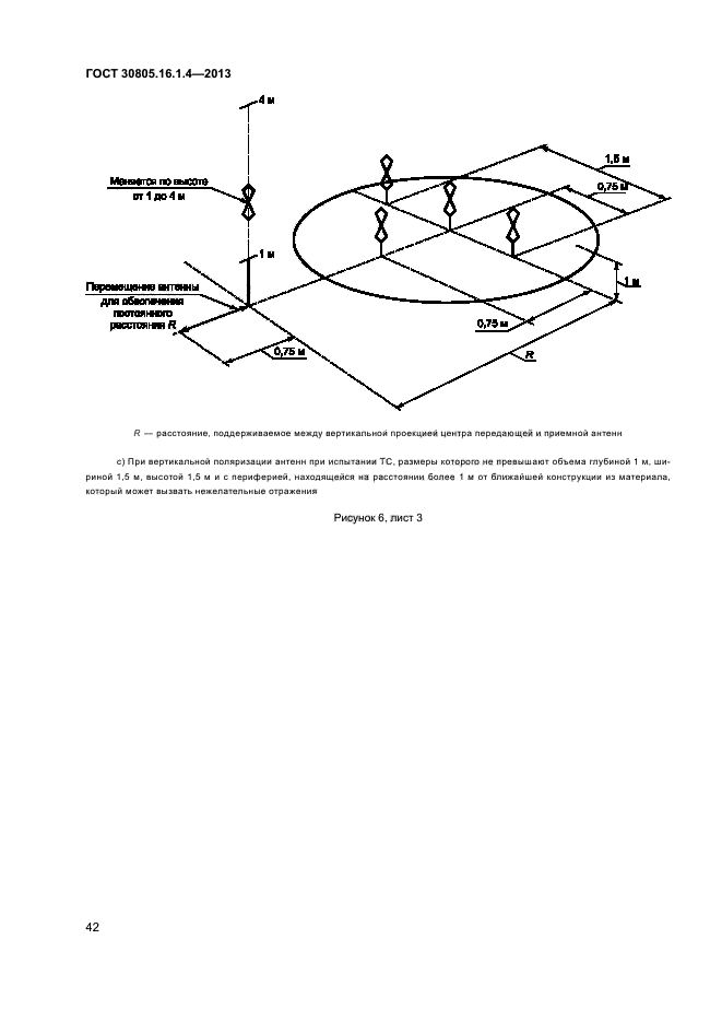
| Область применения: | Настоящий стандарт является основополагающим стандартом, устанавливающим характеристики и качество функционирования устройств для измерения излучаемых индустриальных радиопомех (ИРП) и испытаний на устойчивость к излучаемым радиопомехам в полосе частот от 9 кГц до 18 ГГц |
| Список изменений: | №0 от 01.01.2015 (рег. 28.10.2013) «Поправка к изменению» |
|