| Обозначение: |  ГОСТ 30971-2012 |
| Статус: | действующий |
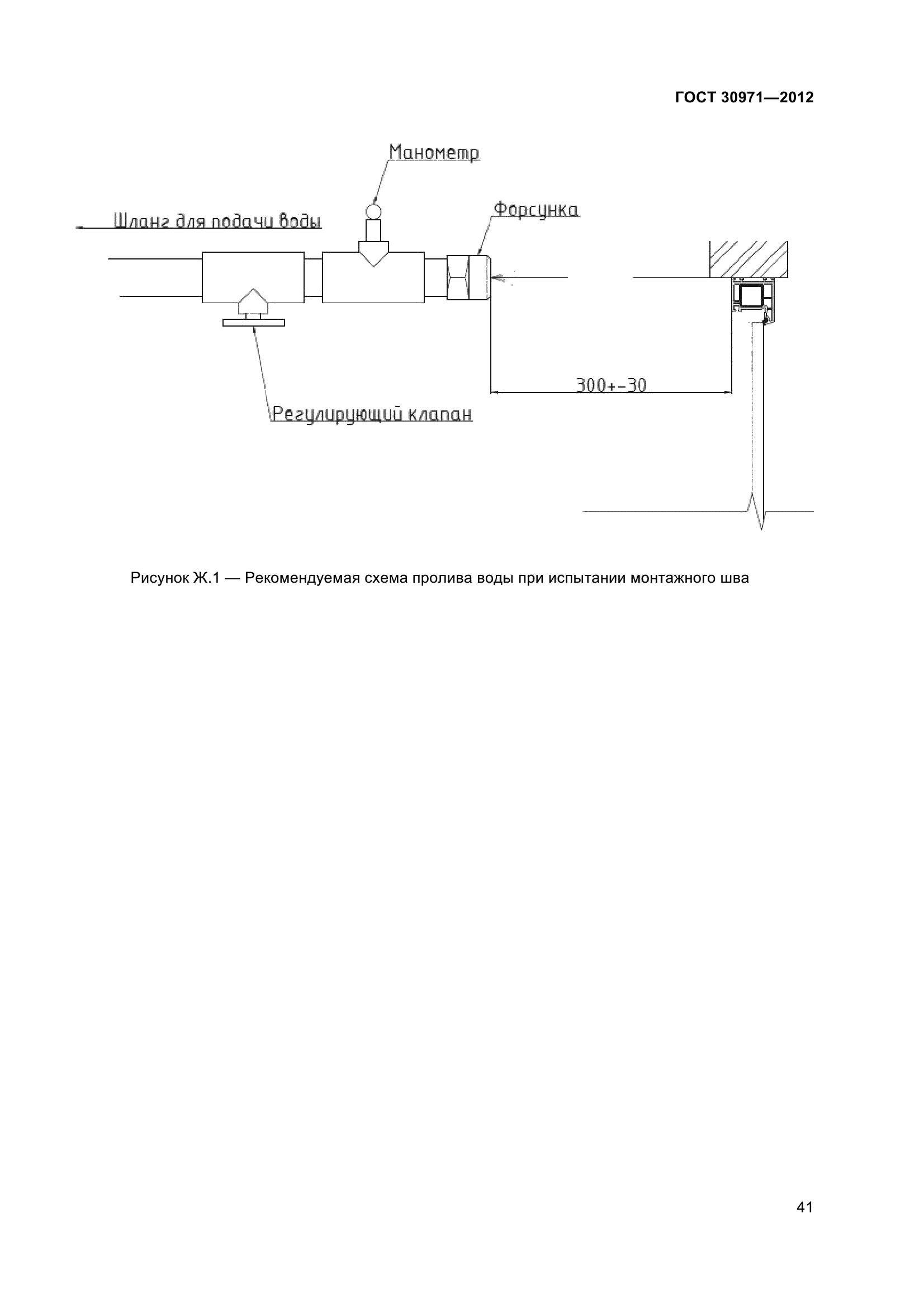
| Название рус.: | Швы монтажные узлов примыкания оконных блоков к стеновым проемам. Общие технические условия |
| Дата актуализации текста: | 01.06.2022 |
| Дата актуализации описания: | 01.07.2023 |
| Дата регистрации: | 14.06.2012 |
| Дата издания: | 01.10.2014 |
| Дата введения: | 01.01.2014 |
| Взамен: | ГОСТ 30971-2002 |
| Нормативные ссылки: | ГОСТ 8.586.1-2005; ГОСТ 166-89; ГОСТ 427-75; ГОСТ 2678-94; ГОСТ 7076-99; ГОСТ 7502-98; ГОСТ 10174-90; ГОСТ 17177-94; ГОСТ 21751-76; ГОСТ 23166-99; ГОСТ 24700-99; ГОСТ 25898-83; ГОСТ 26254-84; ГОСТ 26433.0-85; ГОСТ 26433.1-89; ГОСТ 26433.2-94; ГОСТ 26589-94; ГОСТ 26602.2-99; ГОСТ 26629-85; ГОСТ 27296-87; ГОСТ 30494-96; ГОСТ 31167-2009 |
| Область применения: | Настоящий стандарт применяют при разработке конструкторской и технологической документации на производство монтажных работ при новом строительстве и реконструкции (включая замену оконных конструкций в эксплуатируемых помещениях). Требования настоящего стандарта могут быть применены при проектировании и устройстве узлов примыканий наружных дверей, ворот, витражных конструкций и ленточного остекления. Настоящий стандарт не распространяется на все типы навесных фасадных конструкций, зимних садов и светопрозрачных кровель, а также на мансардные оконные блоки, на оконные блоки специального назначения в части дополнительных требований к пожаробезопасности, защите от взлома |
| Приложение №1: | Поправка к ГОСТ 30971-2012 |
|