Скачать ГОСТ IEC 60400-2011 Патроны для трубчатых люминесцентных ламп и стартеровДата актуализации: 01.06.2025 ГОСТ IEC 60400-2011
Патроны для трубчатых люминесцентных ламп и стартеров
| Обозначение: |  ГОСТ IEC 60400-2011 |
| Статус: | действующий |
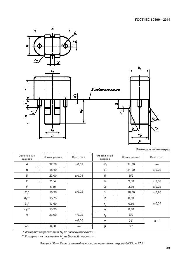
| Название рус.: | Патроны для трубчатых люминесцентных ламп и стартеров | | Название англ.: | Lampholders for tubular fluorescent lamps and starterholders | | Дата актуализации текста: | 01.01.2021 | | Дата актуализации описания: | 01.07.2023 | | Дата регистрации: | 22.12.2011 | | Дата издания: | 22.12.2013 | | Дата введения: | 01.01.2014 | | Аутентичен стандартам: | IEC 60400(1996) | | Нормативные ссылки: | IEC 60061-1(1969);IEC 60061-2(1969);IEC 60061-3(1969);IEC 60068-2-20(1979);IEC 60068-2-62(1991);IEC 60068-2-63(1991);IEC 60081(1997);IEC 60112(1979);IEC 60155(1993);IEC 60238(1998);IEC 60352-1(1983);IEC 60399(1972);IEC 60529(1989);IEC 60598-1(1996);IEC 60664-1(1992);IEC 60695-2-1/0(1994);IEC 60695-2-1/1(1994);IEC 61199(1993) | | Область применения: | Настоящий стандарт устанавливает размеры и технические требования к патронам для трубчатых люминесцентных ламп и стартеров, а также методы испытаний, которые должны использоваться для оценки безопасности применения и возможности вставления в них ламп и стартеров. Стандарт распространяется на независимые и встраиваемые патроны для трубчатых люминесцентных ламп с цоколями, указанными в приложении А, а также на независимые и встраиваемые патроны для стартеров в соответствии с IEC 60155, предназначенные для включения в сеть переменного тока с действующим значением рабочего напряжения не более 1000 В. Настоящий стандарт также распространяется на патроны для одноцокольных трубчатых люминесцентных ламп, вмонтированный в наружный корпус с донышком, снабженным резьбой, аналогичной патрона с резьбой Эдисона (например для ламп с цоколями G23 и G24). Патроны с круглой резьбой для абажурных колец должны соответствовать последнему изданию IEC 60399. Стандарт, насколько возможно, распространяется на комбинации патронов для ламп и стартеров, на патроны для ламп и указанные комбинации, которые полностью или частично выполнены заодно со светильником, а также на патроны для ламп и стартеров, отличающихся от вышеуказанных, и на ламповые соединители | |
                                                               
|