| Обозначение: |  ГОСТ 24379.1-2012 |
| Статус: | действующий |
| Название рус.: | Болты фундаментные. Конструкция и размеры |
| Название англ.: | Foundation bolts. Structure and dimensions |
| Дата актуализации текста: | 01.01.2026 |
| Дата актуализации описания: | 01.07.2023 |
| Дата регистрации: | 04.06.2012 |
| Дата издания: | 04.07.2013 |
| Дата введения: | 01.07.2013 |
| Взамен: | ГОСТ 24379.1-80 |
| Нормативные ссылки: | ГОСТ Р 53464-2009; ГОСТ 2590-2006; ГОСТ 2789-73; ГОСТ 3212-92; ГОСТ 5264-80; ГОСТ 5915-70; ГОСТ 6636-69; ГОСТ 8724-2002; ГОСТ 10549-80; ГОСТ 10605-94; ГОСТ 10704-91; ГОСТ 11371-78; ГОСТ 16093-2004; ГОСТ 24379.0-80; ГОСТ 24705-2004; ГОСТ 25347-82; ГОСТ 25348-82; ГОСТ 26645-85 |
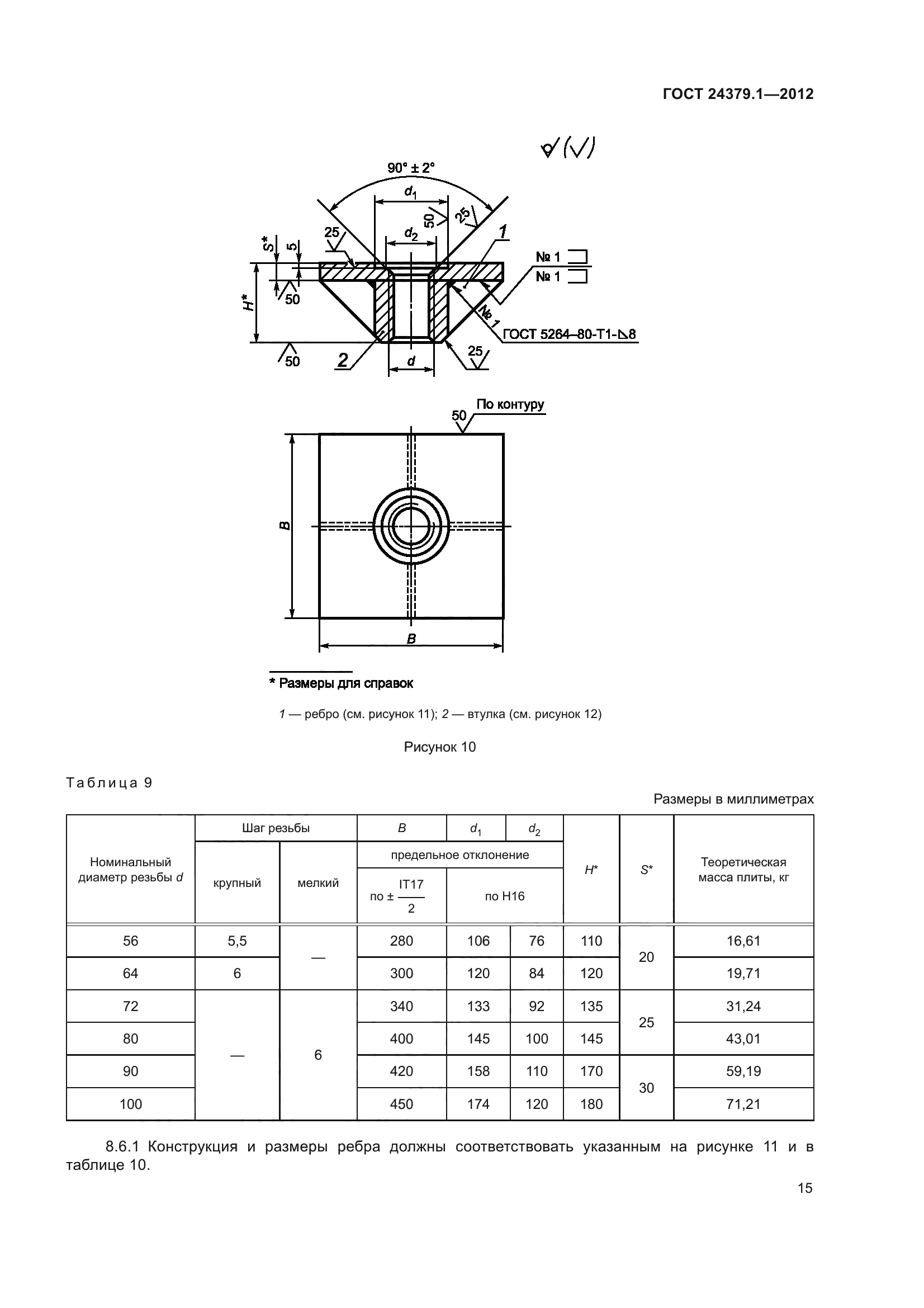
| Область применения: | Настоящий стандарт распространяется на фундаментные болты диаметром резьбы от 12 до 140 мм по ГОСТ 24379.0, предназначенные для крепления и фиксации строительных конструкций или оборудования. Настоящий стандарт соответствует ГОСТ 25347 и ГОСТ 25348 в части, касающейся предельных отклонений размеров, и ГОСТ 8724 и ГОСТ 24705 в части, касающейся основных размеров, диаметров и шагов метрической резьбы |
| Список изменений: | №0 от 03.05.2016 (рег. 03.05.2016) «Дата введения перенесена» |
| Приложение №1: | Поправка к ГОСТ 24379.1-2012 |
| Приложение №2: | Поправка к ГОСТ 24379.1-2012 |
| Приложение №3: | Поправка к ГОСТ 24379.1-2012 |
| Приложение №4: | Поправка к ГОСТ 24379.1-2012 |
|