| Обозначение: |  ГОСТ 31420-2010 |
| Статус: | действующий |
| Название рус.: | Шум машин. Электроагрегаты генераторные переменного тока с приводом от двигателя внутреннего сгорания. Измерение шума методом охватывающей поверхности |
| Название англ.: | Noise of machines. Reciprocating internal combustion engine driven alternating current generating sets. Measurement of airborne noise by the enveloping surface method |
| Дата актуализации текста: | 01.01.2021 |
| Дата актуализации описания: | 01.07.2023 |
| Дата регистрации: | 25.11.2010 |
| Дата издания: | 19.08.2019 |
| Дата введения: | 01.11.2012 |
| Содержит требования: | ISO 8528-10:1998 |
| Нормативные ссылки: | ГОСТ 17168-82; ГОСТ 17187-2010; ГОСТ 30457-97; ГОСТ 30720-2001; ГОСТ 31252-2004 |
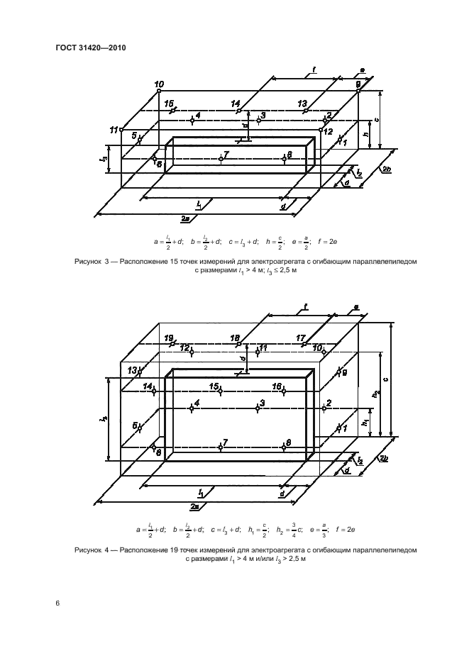
| Область применения: | Настоящий стандарт устанавливает технический и ориентировочный методы измерения уровня звуковой мощности электроагрегатов генераторных с приводом от двигателя внутреннего сгорания с учетом всех источников шума, исключая выхлопную систему и систему охлаждения в случае, когда их выходные отверстия находятся на удалении от электроагрегата. Стандарт распространяется на наземные и судовые стационарные и передвижные электроагрегаты переменного и постоянного тока, устанавливаемые на жестких или упругих опорах. Стандарт не распространяется на электроагрегаты воздушных судов, а также на электроагрегаты для приведения в движение наземных и железнодорожных транспортных средств |
|