Скачать ГОСТ Р 54113-2010 Соединительные устройства для многократной заправки сжатым водородом наземных транспортных средствДата актуализации: 01.06.2025 ГОСТ Р 54113-2010
Соединительные устройства для многократной заправки сжатым водородом наземных транспортных средств
| Обозначение: |  ГОСТ Р 54113-2010 |
| Статус: | действующий |
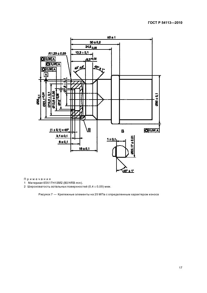
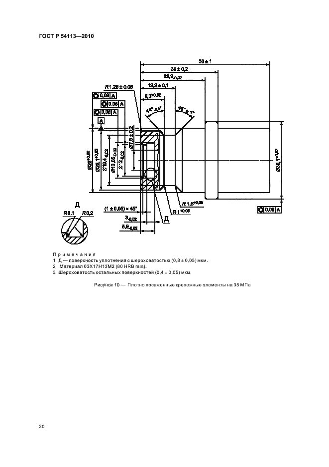
| Название рус.: | Соединительные устройства для многократной заправки сжатым водородом наземных транспортных средств | | Название англ.: | Compressed hydrogen surface vehicle refuelling connection devices | | Дата актуализации текста: | 06.04.2015 | | Дата актуализации описания: | 01.07.2023 | | Дата издания: | 02.11.2011 | | Дата введения: | 01.07.2011 | | Код ОКП: | 450000 | | Нормативные ссылки: | ISO 17268:2006; ГОСТ Р 51634-2000; ГОСТ Р 51673-2000; ГОСТ Р 54110-2010; ГОСТ Р 54111-2010; ГОСТ Р 54112-2010; ГОСТ 3022-80 | | Область применения: | Настоящий стандарт распространяется на разработку, изготовление и эксплуатацию соединительных устройств для заправки наземных транспортных средств, работающих на сжатом водороде. Заправочные устройства для транспортных средств на сжатом водороде (ТССВ) состоят из: - заправочного приемника и защитной крышки (устанавливаются на транспортном средстве); - заправочного вентиля. Настоящий стандарт распространяется на устройства с рабочими давлениями 25 МПа и 35 МПа, обозначаемые как: - Н25 - 25 МПа при 15 град. С; - Н35 - 35 МПа при 15 град. С. Настоящий стандарт распространяется на заправочные вентили и заправочные приемники, которые: - не допускают заправку транспортных средств водородом на заправочных станциях, рабочее давление которых выше, чем у транспортного средства; - допускают заправку транспортных средств водородом на заправочных станциях, рабочее давление которых совпадает или ниже рабочего давления в топливной системе транспортного средства; - не допускают заправку транспортных средств водородом на заправочных станциях с другим сжатым газом (газами); - не допускают заправку транспортных средств, заправляемых другим газом (газами), на водородных заправочных станциях. Все размеры, приводимые в настоящем стандарте, выражены в метрических единицах Международной системы единиц (СИ). Сжатый водород, для целей настоящего стандарта, соответствует техническим требованиям [6]. Все методики испытаний, перечисленные в данном стандарте, предназначены для проверки правильности проектирования и изготовления, если не указано другое. Изделие может считаться соответствующим нормам проектирования, предусмотренным настоящим стандартом если оно прошло все установленные испытания | |
                          
|