| Обозначение: |  ГОСТ Р ИСО 11943-2010 |
| Статус: | действующий |
| Название рус.: | Гидропривод объемный. Интерактивные автоматические системы подсчета частиц в жидкости. Методы калибровки и аттестации |
| Название англ.: | Hydraulic fluid power. On-line automatic particle-counting systems for liquids. Methods of calibration and validation |
| Дата актуализации текста: | 06.04.2015 |
| Дата актуализации описания: | 01.07.2023 |
| Дата издания: | 20.10.2011 |
| Дата введения: | 01.12.2011 |
| Код ОКП: | 025000;414000 |
| Аутентичен стандартам: | ISO 11943:1999 |
| Нормативные ссылки: | ISO 1000:1992;ISO 1219-1:1991;ISO 4021:1992;ISO 5598:1985;ISO 11171;ISO 12103-1:1997;ISO 16889 |
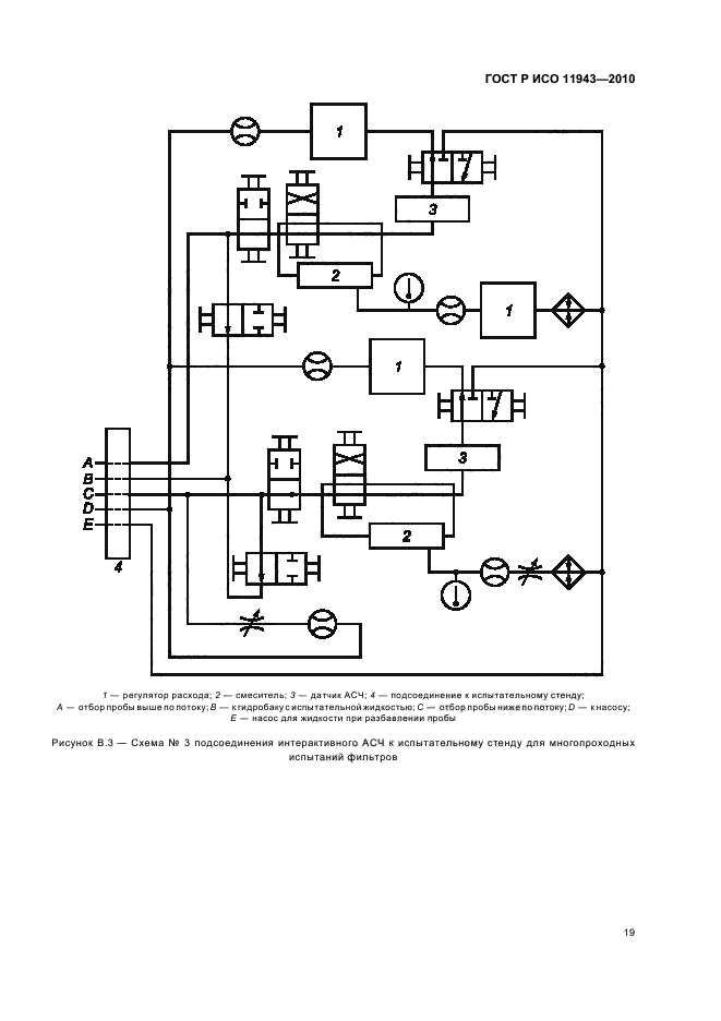
| Область применения: | Настоящий стандарт устанавливает основные положения по калибровке и аттестации интерактивных автоматических счетчиков частиц (АСЧ) для их последующего использования при подсчете твердых частиц, взвешенных в жидкости. В основном их применяют при многопроходном испытании фильтров по ИСО 16889 |
|