Скачать ГОСТ Р 50044-2009 Изделия электронной техники для поверхностного монтажа радиоэлектронной аппаратуры. Требования к конструктивной совместимостиДата актуализации: 01.06.2025 ГОСТ Р 50044-2009
Изделия электронной техники для поверхностного монтажа радиоэлектронной аппаратуры. Требования к конструктивной совместимости
| Обозначение: |  ГОСТ Р 50044-2009 |
| Статус: | действующий |
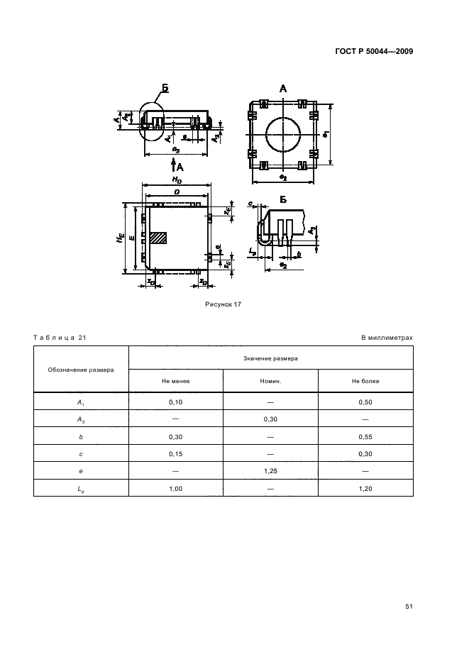
| Название рус.: | Изделия электронной техники для поверхностного монтажа радиоэлектронной аппаратуры. Требования к конструктивной совместимости | | Название англ.: | Electronic components for surface mouning at electronic radio equipment. Constructional compatibility requirements | | Дата актуализации текста: | 06.04.2015 | | Дата актуализации описания: | 01.01.2021 | | Дата издания: | 16.03.2011 | | Дата введения: | 01.01.2011 | | Взамен: | ГОСТ Р 50044-92 | | Нормативные ссылки: | ГОСТ 12172-74 | | Область применения: | Настоящий стандарт распространяется на корпусные изделия электронной техники (интегральные микросхемы, полупроводниковые приборы, резисторы, конденсаторы, индуктивности и др.), предназначенные для монтажа на поверхность печатных плат радиоэлектронных средств, средств связи и вычислительной техники, и устанавливает требования, обеспечивающие их конструктивную совместимость на печатных платах электронных модулей | |
                                                                        
|