| Обозначение: |  ГОСТ Р 53677-2009 |
| Статус: | отменён |
| Название рус.: | Нефтяная и газовая промышленность. Кожухотрубчатые теплообменники. Технические требования |
| Название англ.: | Petroleum and natural gas industries. Shell-and-tube heat eхchangers. Technical requirements |
| Дата актуализации текста: | 06.04.2015 |
| Дата актуализации описания: | 01.07.2023 |
| Дата издания: | 30.03.2011 |
| Дата введения: | 01.01.2011 |
| Дата окончания срока действия: | 01.01.2014 |
| Код ОКП: | 361200 |
| Содержит требования: | ISO 16812:2007 |
| На территории РФ пользоваться: | ГОСТ 31842-2012 |
| Нормативные ссылки: | ГОСТ Р 52630-2006; ГОСТ 9.014-78; ГОСТ 12971-67; ГОСТ 22727-88; ГОСТ 24507-80; ГОСТ 25347-82; ГОСТ 28759.2-90; ГОСТ 28759.3-90; ГОСТ 28759.4-90; ГОСТ 28759.5-90; ГОСТ 28759.6-90; ГОСТ 28759.7-90; ГОСТ 28759.8-90 |
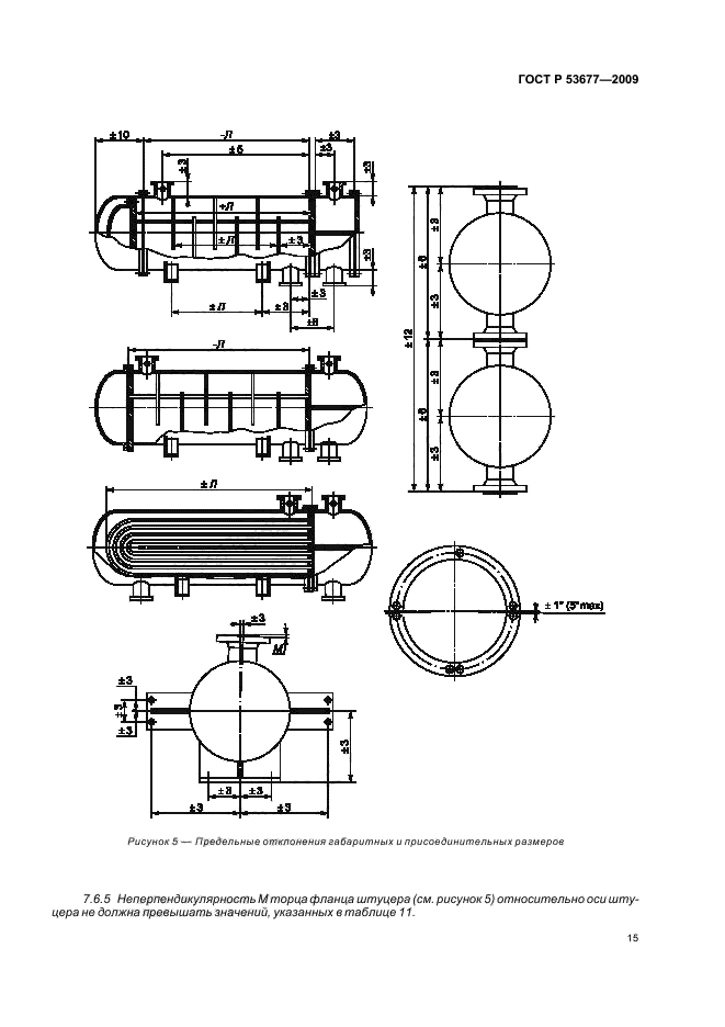
| Область применения: | Настоящий стандарт устанавливает требования к конструкции, материалам, изготовлению, контролю, испытаниям и подготовке к отгрузке стальных кожухотрубчатых теплообменных аппаратов, предназначенных для применения в нефтяной, нефтеперерабатывающей, нефтехимической, химической, газовой и других смежных отраслях промышленности. Настоящий стандарт применим к следующим типам аппаратов теплообменных кожухотрубчатых стальных: теплообменникам, конденсаторам, холодильникам и испарителям, работающим под расчетным давлением не более 21 МПа, под вакуумом с остаточным давлением не ниже 665 Па (5 мм рт. ст.) при температуре стенки не ниже минус 70 (град.) С. Настоящий стандарт не применим к поверхностным вакуумным конденсаторам водяного пара и нагревателям питательной воды |
| Список изменений: | №0 от 01.01.2014 (рег. 21.11.2012) «Текстовое изменение; Изменено заглавие» |
|