| Обозначение: |  ГОСТ 28479-90 |
| Статус: | действующий |
| Название рус.: | Валы сновальные. Основные размеры |
| Название англ.: | Warper's beams. Main dimensions |
| Дата актуализации текста: | 06.04.2015 |
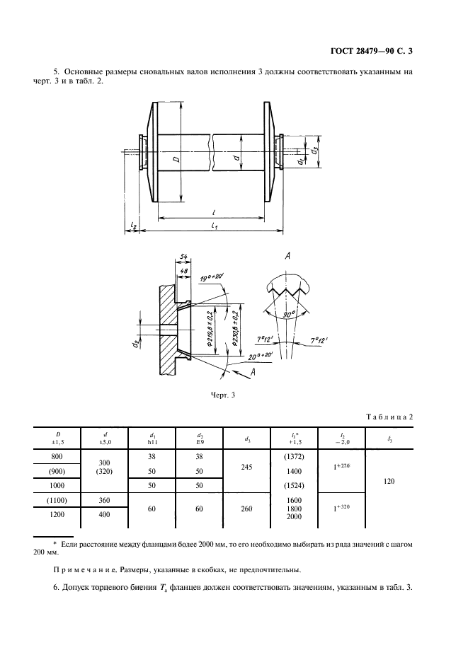
| Дата актуализации описания: | 01.07.2023 |
| Дата издания: | 01.11.2005 |
| Дата введения: | 01.01.1993 |
| Содержит требования: | ISO 8116-2:1985 |
| Нормативные ссылки: | ГОСТ 13784-94; ГОСТ 22061-76; ГОСТ 27876-88 |
| Область применения: | Настоящий стандарт распространяется на сновальные валы, предназначенные для наматывания на них основных нитей на вновь создаваемых сновальных машинах, для нужд народного хозяйства и экспорта |
|