Скачать ГОСТ Р 53010-2008 Прессы гидравлические. Требования безопасностиДата актуализации: 01.06.2025 ГОСТ Р 53010-2008
Прессы гидравлические. Требования безопасности
| Обозначение: |  ГОСТ Р 53010-2008 |
| Статус: | отменён |
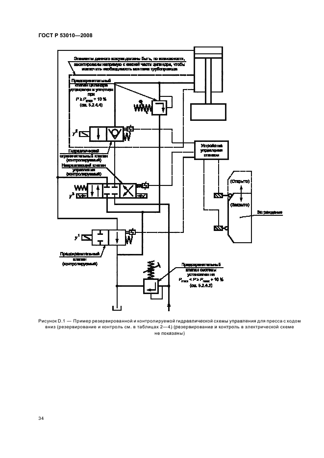
| Название рус.: | Прессы гидравлические. Требования безопасности | | Название англ.: | Hydraulic presses. Safety requirements | | Дата актуализации текста: | 06.04.2015 | | Дата актуализации описания: | 01.07.2023 | | Дата издания: | 03.03.2009 | | Дата введения: | 01.07.2009 | | Дата окончания срока действия: | 01.03.2013 | | Код ОКП: | 382200 | | Содержит требования: | EN 693:2001 | | На территории РФ пользоваться: | ГОСТ 31733-2012 | | Нормативные ссылки: | ГОСТ Р ЕН 614-1-2003; ГОСТ Р ИСО 12100-1-2007; ГОСТ Р ИСО 12100-2-2007; ГОСТ Р ИСО 13849-1-2003; ГОСТ Р 51334-99; ГОСТ Р 51335-99; ГОСТ Р 51336-99; ГОСТ Р 51337-99; ГОСТ Р 51338-99; ГОСТ Р 51340-99; ГОСТ Р 51341-99; ГОСТ Р 51342-99; ГОСТ Р 51343-99; ГОСТ Р 51344-99; ГОСТ Р 51345-99; ГОСТ Р 51402-99; ГОСТ Р МЭК 60204-1-2007; ГОСТ 12.2.003-91; ГОСТ 12.2.017-93; ГОСТ ЕН 1005-2-2005; ГОСТ ИСО 13851-2006; ГОСТ ИСО 13855-2006; ГОСТ 28690-90; ГОСТ 30869-2003; ГОСТ 31169-2003; ГОСТ 31177-2003 | | Область применения: | Настоящий стандарт устанавливает требования и меры безопасности, которые должны приниматься при проектировании, производстве и поставках гидравлических прессов, их агрегатов и узлов; распространяется на все проектируемые, изготовляемые и модернизируемые гидравлические прессы, линии и комплексы оборудования на их базе, средства автоматизации и механизации к ним. Настоящий стандарт также охватывает прессы, которые изначально предназначались для работы с холодным металлом, но используются аналогичным образом для работы с другими листовыми материалами (например, картоном, пластмассой, резиной или кожей) и металлическим порошком. Настоящий стандарт не распространяется на оборудование, основным проектным назначением которого является: - резка листового металла гильотинными ножницами; - установка креплений, например клепок, скоб или стежков; - гибка или вальцовка; - револьверная дыропробивная штамповка; - штамповка на молоте; - пробивка на специализированных дыропробивных прессах по шаблонам (например, для строительной промышленности). Настоящий стандарт применяют совместно с ГОСТ 12.2.003, ГОСТ 12.2.017. Настоящий стандарт применяется к прессам, изготовленным после даты его введения | | Список изменений: | №0 от 01.03.2013 (рег. 22.11.2012) «Текстовое изменение; Изменено заглавие» | |
                                           
|