| Обозначение: |  ГОСТ Р 51891-2008 |
| Статус: | действующий |
| Название рус.: | Контейнеры грузовые серии 1. Фитинги. Технические условия |
| Название англ.: | Series 1 freight containers. Fittings. Specifications |
| Дата актуализации текста: | 01.01.2021 |
| Дата актуализации описания: | 01.07.2023 |
| Дата издания: | 16.10.2008 |
| Дата введения: | 01.01.2009 |
| Код ОКП: | 317700 |
| Взамен: | ГОСТ Р 51891-2002 |
| Содержит требования: | ISO 1161:1984 |
| Нормативные ссылки: | ГОСТ Р 52202-2004; ГОСТ 977-88; ГОСТ 9454-78; ГОСТ 15150-69; ГОСТ Р ИСО 148-1-2013; ГОСТ Р ИСО 3874-2008; ГОСТ Р 53350-2009; ГОСТ Р 51876-2008 |
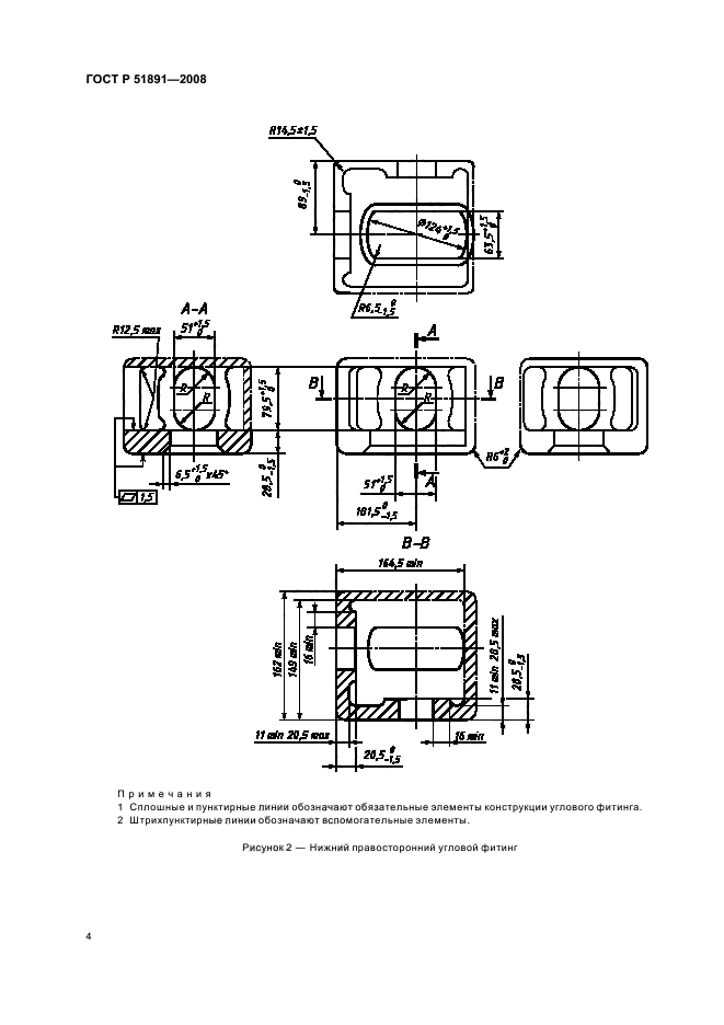
| Область применения: | Настоящий стандарт устанавливает основные размеры и требования к прочности угловых и промежуточных фитингов, предназначенных для грузовых контейнеров серии 1. Настоящий стандарт не распространяется на угловые фитинги авиационных контейнеров |
| Приложение №1: | Изменение №1 к ГОСТ Р 51891-2008 |
|