| Обозначение: |  ГОСТ 9853.5-79 |
| Статус: | заменён |
| Название рус.: | Титан губчатый. Методы определения кислорода |
| Название англ.: | Sponge titanium. Methods for the determination of oxygen |
| Дата актуализации текста: | 06.04.2015 |
| Дата актуализации описания: | 01.07.2023 |
| Дата издания: | 05.11.1979 |
| Дата введения: | 01.01.1981 |
| Дата окончания срока действия: | 01.07.2000 |
| Код ОКП: | 171522 |
| Взамен: | ГОСТ 9853.6-72 |
| Заменяющий: | ГОСТ 9853.5-96 |
| Нормативные ссылки: | ГОСТ 2603-79; ГОСТ 18300-72; ГОСТ 5556-81; ГОСТ 2789-73; ГОСТ 20288-74; ГОСТ 11746-79; ГОСТ 16539-79; ГОСТ 20080-74; ГОСТ 9853.1-79;ГСО 2024-81;ТУ 6-09-5346-87 |
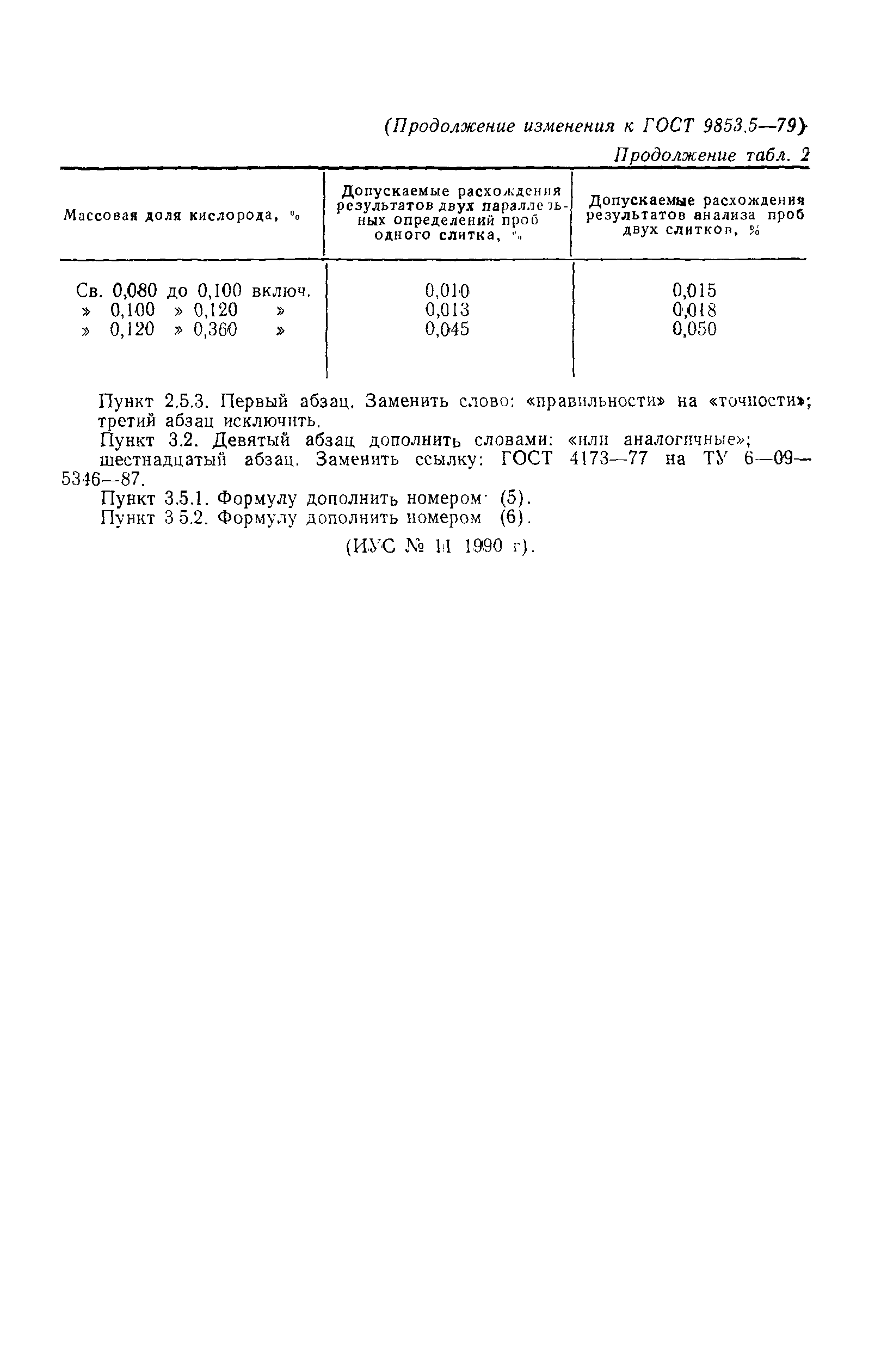
| Область применения: | Настоящий стандарт устанавливает порядок определения кислорода в губчатом титане методами: нейтронной активизации - при массовой доле кислорода от 0,02 до 0,12%; импульсного нагрева - при массовой доле кислорода от 0,02 до 0,36% |
| Список изменений: | №1 от 01.01.1986 (рег. 16.06.1985) «Срок действия продлен» №2 от 01.03.1991 (рег. 14.08.1990) «Срок действия продлен» |
|