| Обозначение: |  ГОСТ 7174-75 |
| Статус: | не действует в РФ |
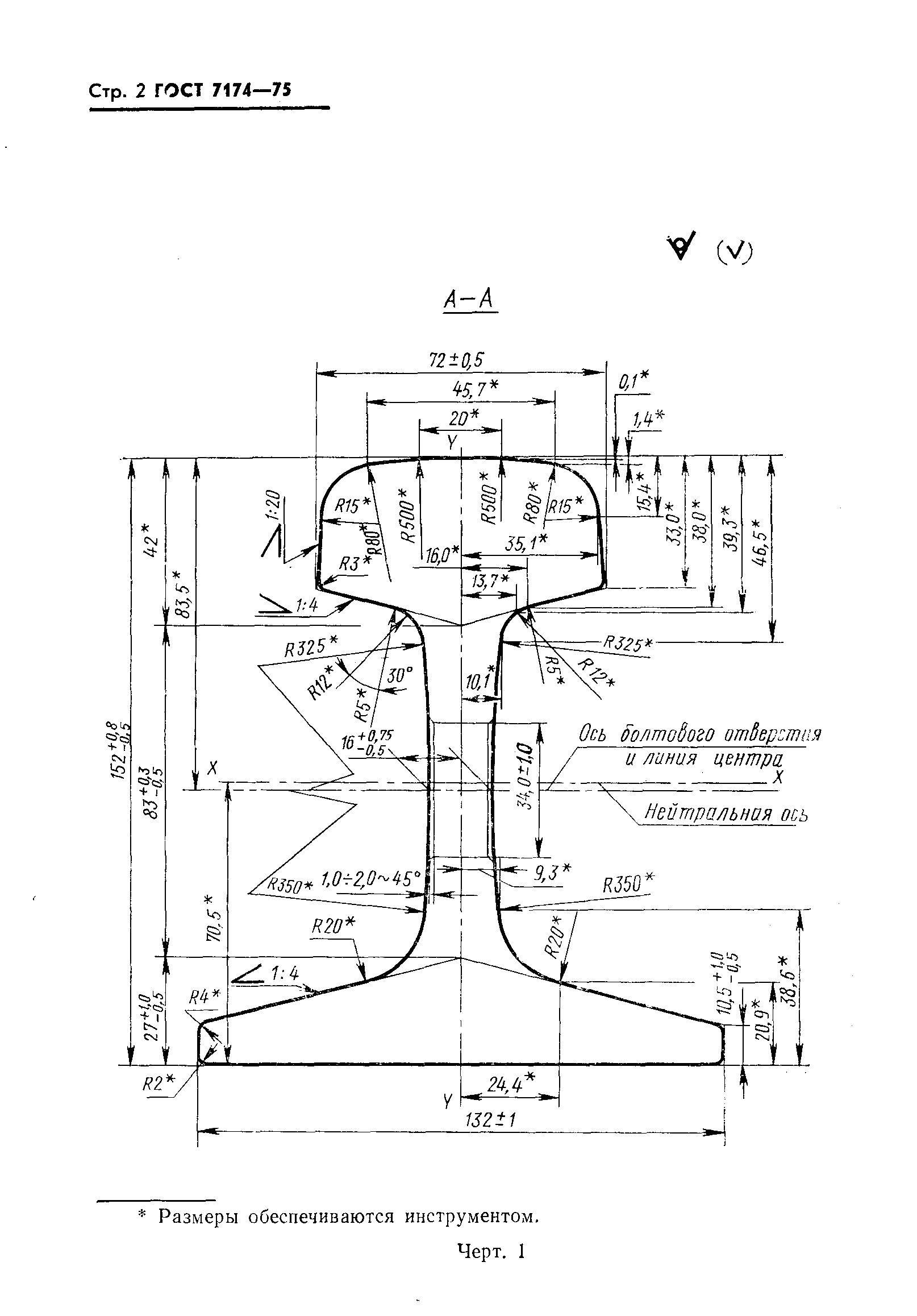
| Название рус.: | Рельсы железнодорожные типа Р50. Конструкция и размеры |
| Название англ.: | Railway rails type Р50. Construction and dimensions |
| Дата актуализации текста: | 06.04.2015 |
| Дата актуализации описания: | 01.07.2023 |
| Дата издания: | 01.08.1985 |
| Дата введения: | 01.01.1977 |
| Дата окончания срока действия: | 01.07.2001 |
| Код ОКП: | 092100;092300 |
| Взамен: | ГОСТ 7174-65 |
| На территории РФ пользоваться: | ГОСТ Р 51685-2013 |
| Нормативные ссылки: | ГОСТ 24182-80; ГОСТ 18267-82 |
| Область применения: | Настоящий стандарт распространяется на закаленные и незакаленные железнодорожные рельсы типа Р50 и устанавливает конструкцию и размеры |
| Список изменений: | №0 от 01.07.2001 (рег. 18.12.2000) «Поправка к изменению» №1 от 01.09.1985 (рег. 09.04.1985) «Срок действия продлен» №2 от 01.09.1998 (рег. 13.04.1998) «Срок действия продлен» |
|