| Обозначение: |  ГОСТ 5984-80 |
| Статус: | заменён |
| Название рус.: | Вещества взрывчатые. Методы определения бризантности |
| Название англ.: | Explosives. Methods for determination of brisance |
| Дата актуализации текста: | 06.04.2015 |
| Дата актуализации описания: | 01.01.2021 |
| Дата издания: | 01.02.1984 |
| Дата введения: | 01.01.1982 |
| Дата окончания срока действия: | 01.01.2001 |
| Код ОКП: | 727600 |
| Взамен: | ГОСТ 5984-51 |
| Заменяющий: | ГОСТ 5984-99 |
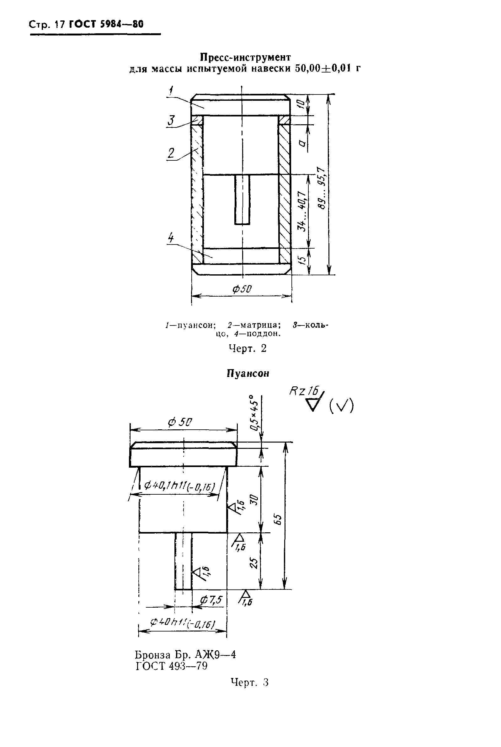
| Область применения: | Настоящий стандарт устанавливает методы определения бризантности: по обжатию свинцовых цилиндров - для порошкообразных, гранулированных, литых, прессованных, пластичных, жидких и вязкотекучих индивидуальных взрывчатых веществ и смесей на их основе с критическим диаметром до 60 мм и по обжатию медных крешерных цилиндрических столбиков для ВВ с предельным диаметром детонации не более 20 мм |
| Список изменений: | №1 от 01.09.1984 (рег. 30.03.1984) «Срок действия продлен» |
|