| Обозначение: |  ГОСТ 4121-76 |
| Статус: | заменён |
| Название рус.: | Рельсы крановые. Технические условия |
| Название англ.: | Crane rails. Specifications |
| Дата актуализации текста: | 06.04.2015 |
| Дата актуализации описания: | 01.07.2023 |
| Дата издания: | 01.08.1985 |
| Дата введения: | 01.01.1978 |
| Дата окончания срока действия: | 01.07.2002 |
| Код ОКП: | 092000 |
| Взамен: | ГОСТ 4121-62 |
| Заменяющий: | ГОСТ 4121-96 |
| Нормативные ссылки: | ГОСТ 7566-81; ГОСТ 12359-81; ГОСТ 22536.0-77; ГОСТ 22536.1-77; ГОСТ 22536.2-77; ГОСТ 22536.3-77; ГОСТ 22536.4-77; ГОСТ 22536.5-77; ГОСТ 22536.6-77; ГОСТ 22536.7-77; ГОСТ 22536.8-77; ГОСТ 22536.9-77; ГОСТ 7565-81; ГОСТ 1497-84; ГОСТ 9012-59 |
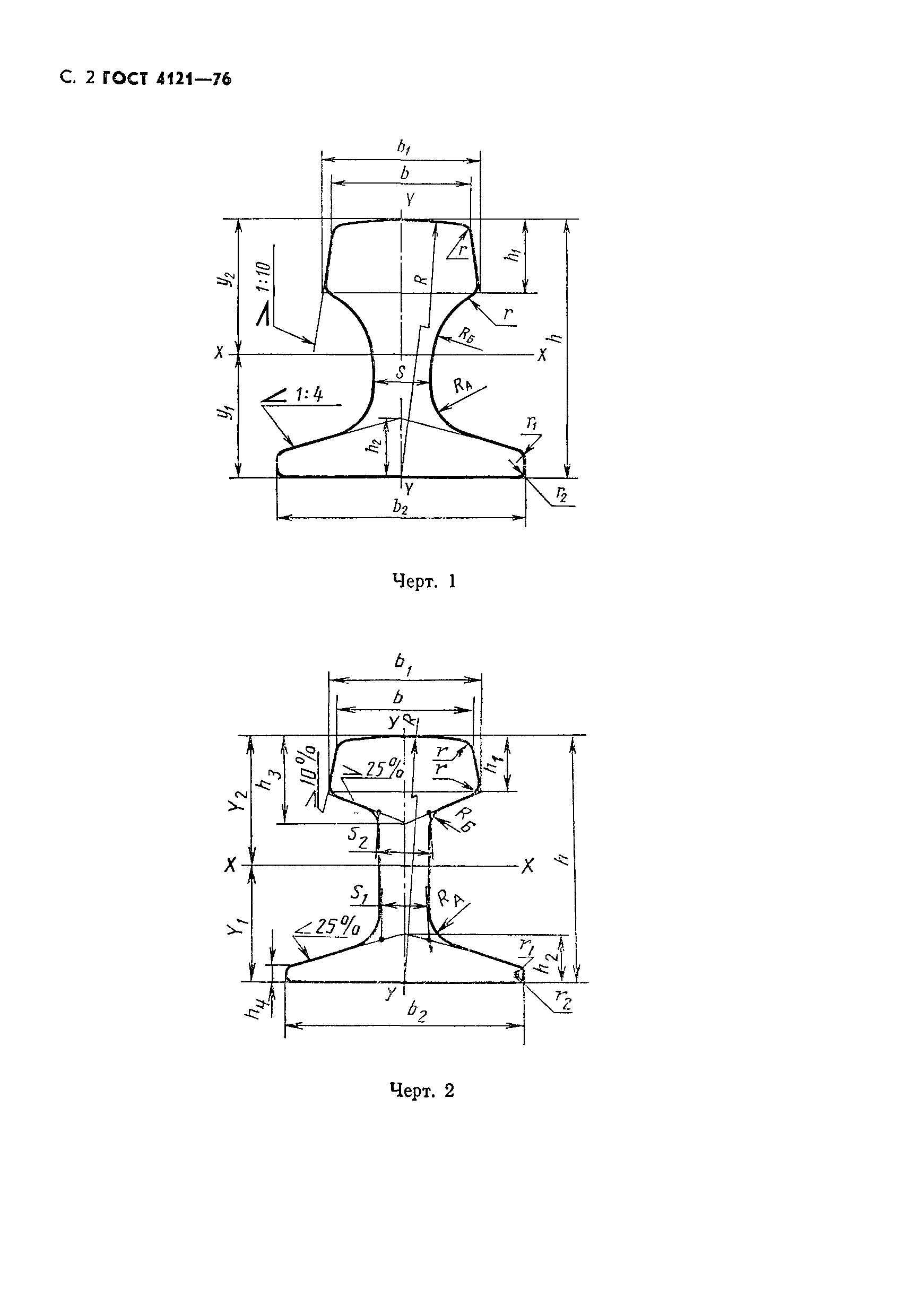
| Область применения: | Настоящий стандарт распространяется на стальные крановые рельсы специальных профилей типов КР70-Л (облегченные), КР80, КР100, КР120, КР140, применяемые для подкрановых путей и подъемных кранов |
| Список изменений: | №1 от 01.07.1981 (рег. 12.02.1981) «Срок действия продлен» №2 от 01.01.1983 (рег. 27.09.1982) «Срок действия продлен» №3 от 01.09.1987 (рег. 19.03.1987) «Срок действия продлен» |
|