| Обозначение: |  ГОСТ 24700-81 |
| Статус: | заменён |
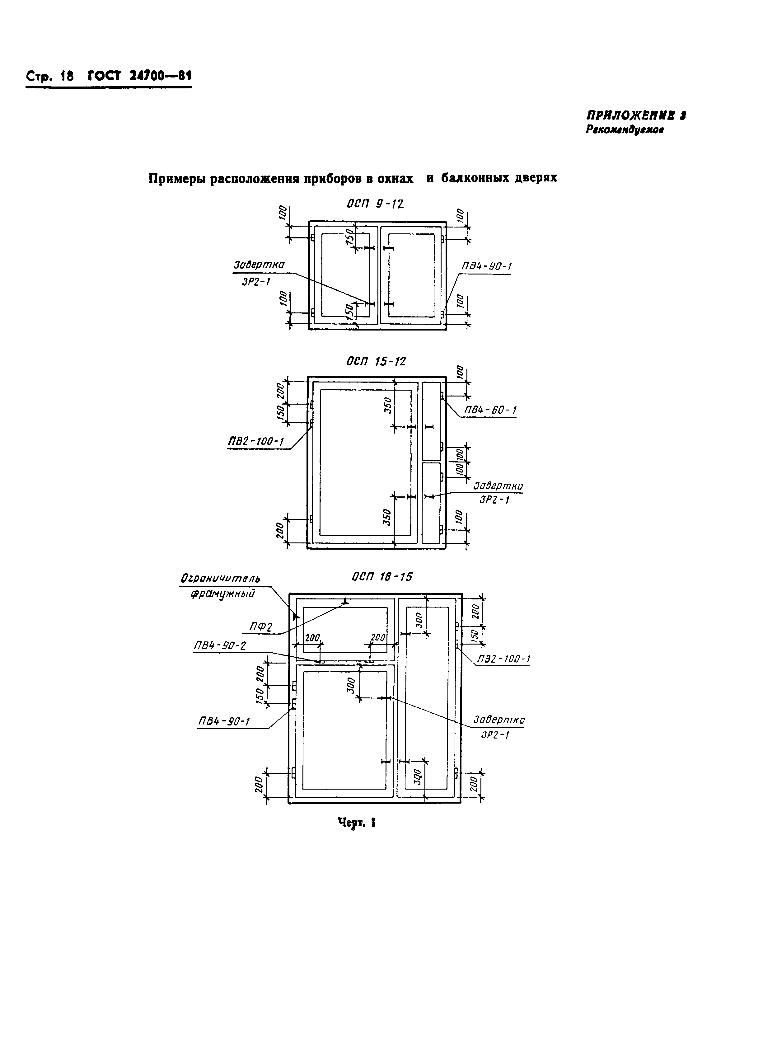
| Название рус.: | Окна и балконные двери деревянные со стеклопакетами для жилых и общественных зданий. Типы, конструкция и размеры |
| Название англ.: | Wooden windows and balcony doors with double glazing units for dwelling and public buildings. Types, structure and dimensions |
| Дата актуализации текста: | 06.04.2015 |
| Дата актуализации описания: | 01.07.2023 |
| Дата издания: | 28.10.1981 |
| Дата введения: | 01.01.1984 |
| Дата окончания срока действия: | 01.01.2001 |
| Код ОКП: | 536139 |
| Заменяющий: | ГОСТ 24700-99 |
| Нормативные ссылки: | ГОСТ 23166-78; ГОСТ 5088-78; ГОСТ 111-78; ГОСТ 4598-74; ГОСТ 2697-75; ГОСТ 8242-75; ГОСТ 9573-72; ГОСТ 538-78; ГОСТ 5087-71; ГОСТ 5089-78; ГОСТ 5090-79; ГОСТ 5091-78; ГОСТ 1145-70; ГОСТ 10174-72; ГОСТ 17585-72 |
|