| Обозначение: |  ГОСТ 24246-80 |
| Статус: | заменён |
| Название рус.: | Муфты втулочные. Основные параметры. Конструкция и размеры |
| Название англ.: | Boxclutches. Basic parameters. Design and dimensions |
| Дата актуализации текста: | 06.04.2015 |
| Дата актуализации описания: | 01.07.2023 |
| Дата издания: | 01.08.1993 |
| Дата введения: | 01.07.1981 |
| Дата окончания срока действия: | 01.07.2000 |
| Код ОКП: | 417111 |
| Взамен: | МН 1069-60;МН 1067-60;МН 1068-60 |
| Заменяющий: | ГОСТ 24246-96 |
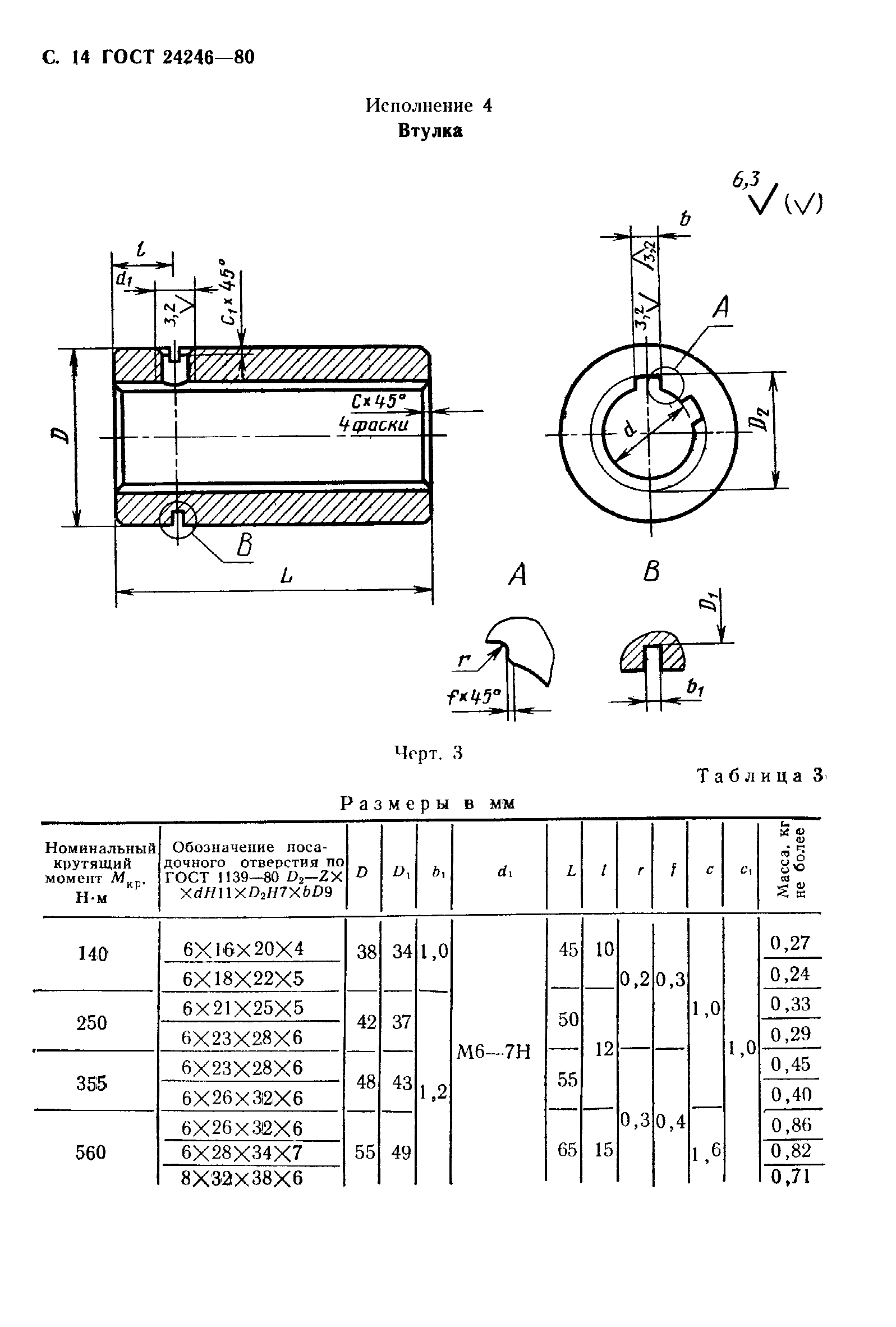
| Область применения: | Настоящий стандарт распространяется на втулочные муфты, применяемые для соединения соосных цилиндрических валов при передаче крутящего момента от 1 до 12500 H.м без смягчения динамических нагрузок и ограничения частоты вращения, в климатических исполнениях У и Т, для категорий 1-3, климатических исполнениях УХЛ и О, для категорий 4 по ГОСТ 15150-69. |
| Список изменений: | №1 от 01.07.1986 (рег. 13.11.1985) «Срок действия продлен» №2 от 01.07.1991 (рег. 03.12.1990) «Срок действия продлен» |
|