| Обозначение: |  ГОСТ 23628-79 |
| Статус: | заменён |
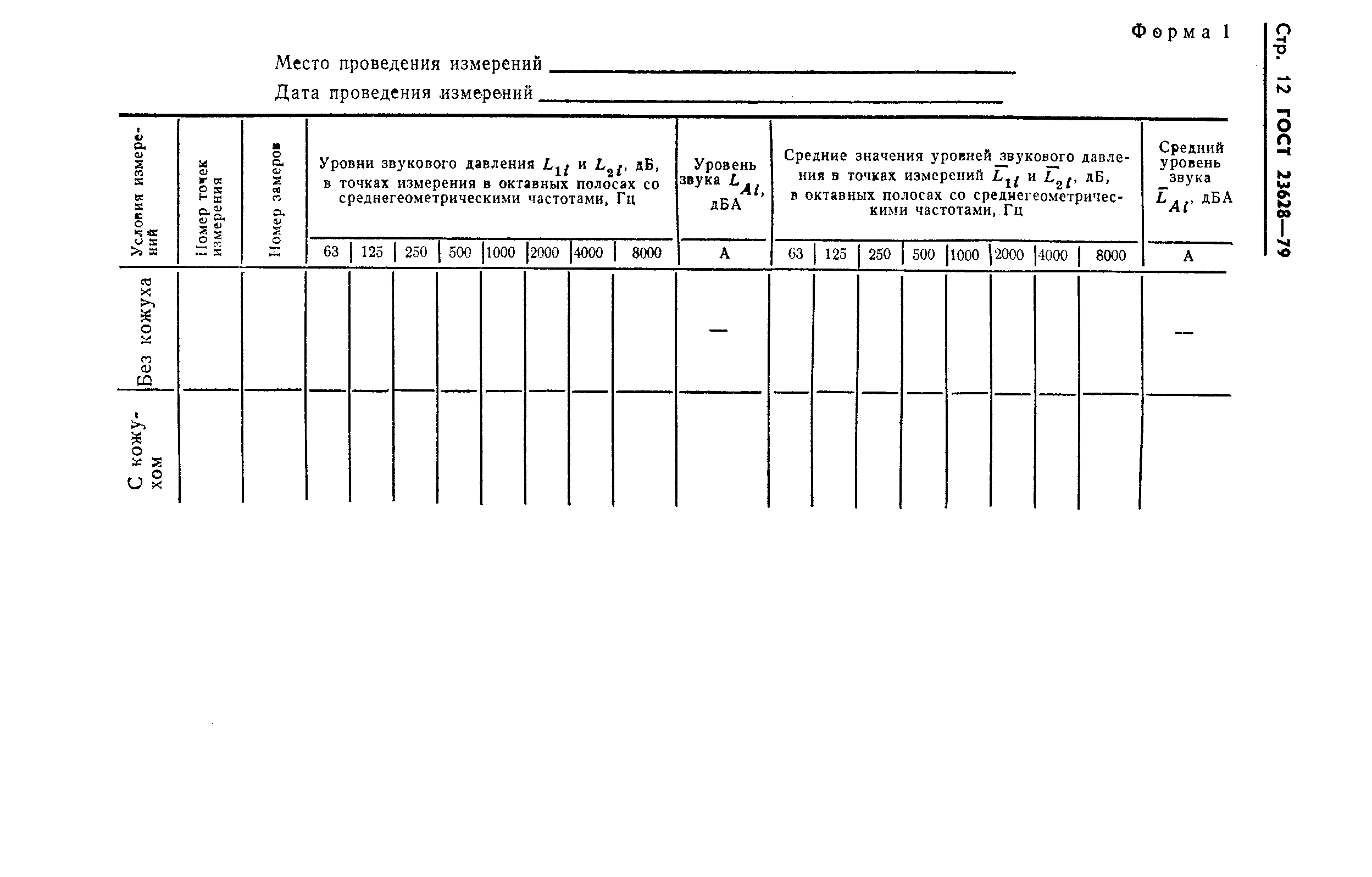
| Название рус.: | Шум. Методы измерения звукоизоляции кожухов |
| Название англ.: | Noise. Methods of measurement of sound insulation by acoustic hoods |
| Дата актуализации текста: | 06.04.2015 |
| Дата актуализации описания: | 01.12.2024 |
| Дата издания: | 12.10.1979 |
| Дата введения: | 01.01.1980 |
| Дата окончания срока действия: | 01.01.2007 |
| Заменяющий в части: | ГОСТ 31298.1-2005 в части методов измерения в свободном и отраженном звуковых полях; ГОСТ 31298.2-2005 в части метода измерения на месте установки |
| Нормативные ссылки: | ГОСТ 8.002-71; ГОСТ 8.055-73; ГОСТ 17168-71; ГОСТ 17187-71 |
| Область применения: | Стандарт устанавливает методы измерения изоляции воздушного шума кожухами, полностью закрывающими технологическое, инженерное или санитарно-техническое оборудование, установленное на горизонтальной поверхности |
|