| Обозначение: |  ГОСТ 22498-88 |
| Статус: | не действует в РФ |
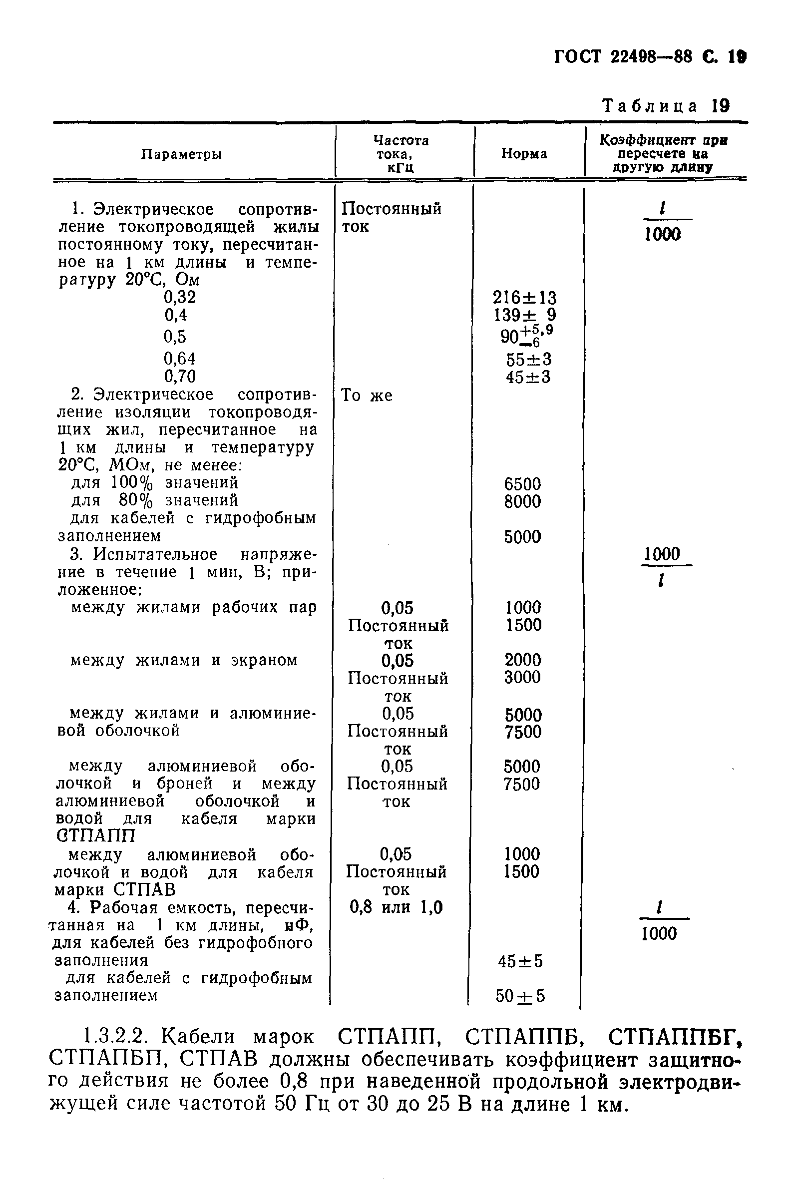
| Название рус.: | Кабели городские телефонные с полиэтиленовой изоляцией в пластмассовой оболочке. Технические условия |
| Название англ.: | Local telephone cables with polyethylene insulation and plastic sheath . Technical requirements |
| Дата актуализации текста: | 06.04.2015 |
| Дата актуализации описания: | 01.07.2023 |
| Дата издания: | 02.11.1988 |
| Дата введения: | 01.01.1989 |
| Дата окончания срока действия: | 01.07.2000 |
| Код ОКП: | 357200 |
| Взамен: | ГОСТ 22498-77 |
| Содержит требования: | СТ СЭВ 2778-80 |
| На территории РФ пользоваться: | ГОСТ 31943-2012 |
| Нормативные ссылки: | IEC 60708-2(1981);IEC 60708-3(1981);IEC 60708-4(1981);IEC 60708-1(1981); ГОСТ 2228-81; ГОСТ 9904-83; ГОСТ 10354-82; ГОСТ 10396-84; ГОСТ 13345-85; ГОСТ 16295-82; ГОСТ 16504-81; ГОСТ 19437-81; ГОСТ 23436-86; ГОСТ 24234-80 |
| Список изменений: | №0 от 01.07.2000 (рег. 24.08.1999) «Поправка к изменению» №1 от 01.04.1990 (рег. 12.12.1989) «Срок действия продлен» |
|