| Обозначение: |  ГОСТ 19311-73 |
| Статус: | заменён |
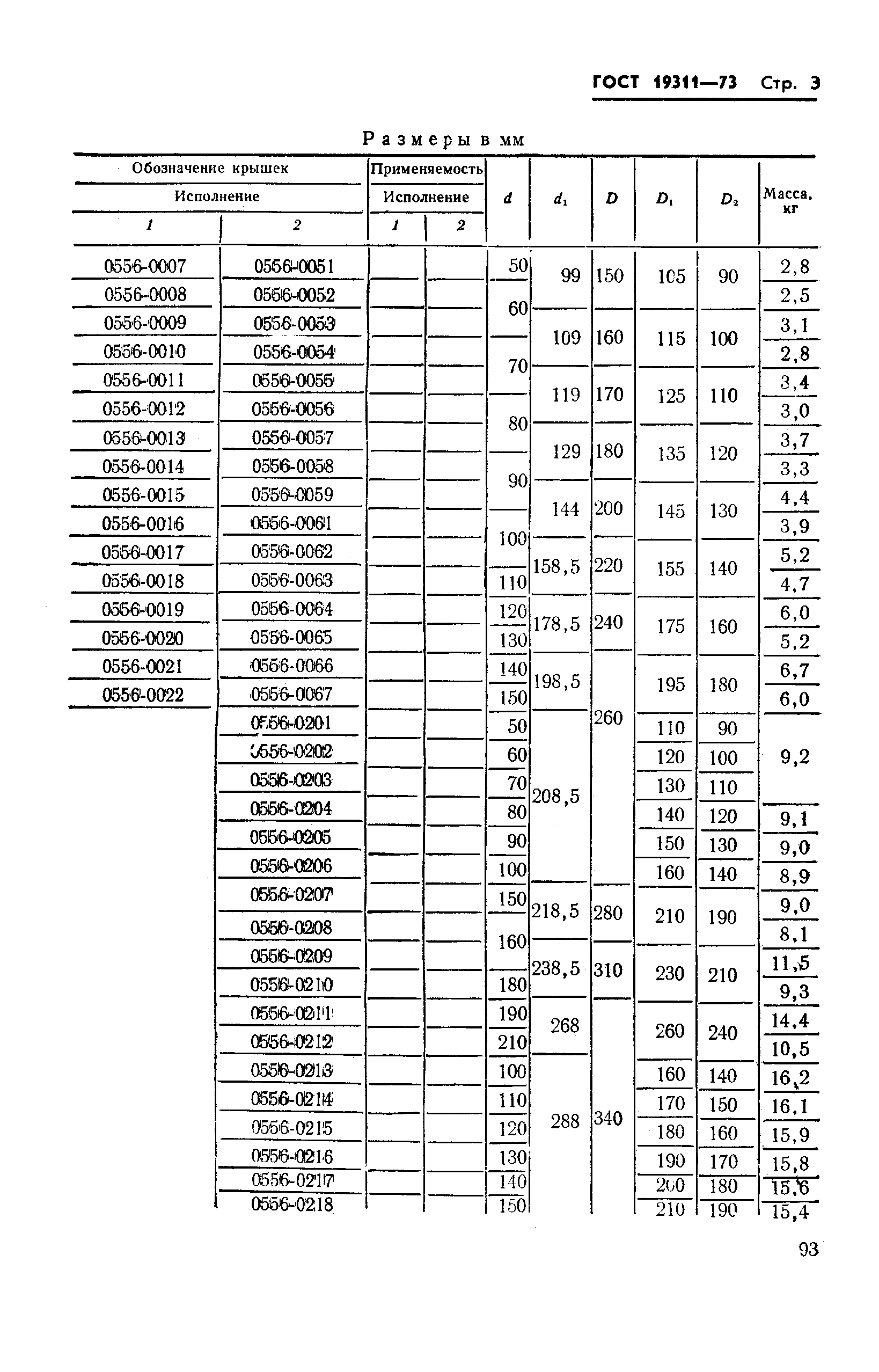
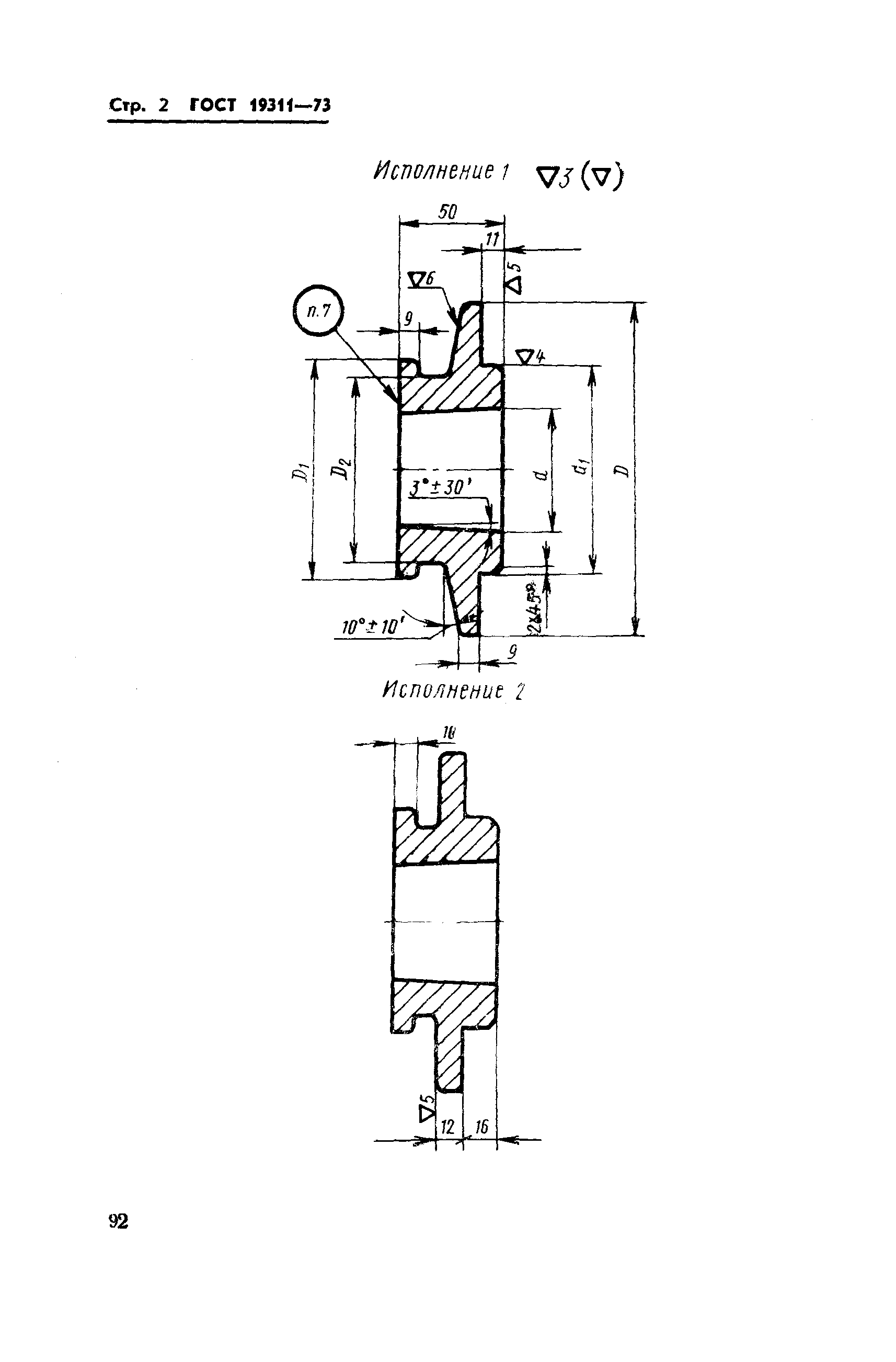
| Название рус.: | Крышки для центробежных изложниц. Конструкция и размеры |
| Название англ.: | Caps for centrifugal moulds. Construction and dimensions |
| Дата актуализации текста: | 06.04.2015 |
| Дата актуализации описания: | 01.07.2023 |
| Дата издания: | 26.03.1974 |
| Дата введения: | 01.01.1975 |
| Дата окончания срока действия: | 01.01.2000 |
| Код ОКП: | 396190 |
| Взамен: | МН 4192-62;МН 4193-62 |
| Заменяющий: | ГОСТ 19311-98 |
| Нормативные ссылки: | ГОСТ 1412-70; ГОСТ 977-75; ГОСТ 19316-73 |
| Список изменений: | №1 от 01.04.1982 (рег. 13.10.1981) «Срок действия продлен» |
|