| Обозначение: |  ГОСТ 10117-91 |
| Статус: | заменён |
| Название рус.: | Бутылки стеклянные для пищевых жидкостей. Технические условия |
| Название англ.: | Glass bottles for food liquids. Specifications |
| Дата актуализации текста: | 06.04.2015 |
| Дата актуализации описания: | 01.07.2023 |
| Дата издания: | 01.10.1997 |
| Дата введения: | 01.01.1993 |
| Дата окончания срока действия: | 01.01.2003 |
| Код ОКП: | 598700 |
| Взамен: | ГОСТ 10117-80; ГОСТ 13906-78 |
| Заменяющий в части: | ГОСТ 10117.1-2001 в части разд. 2 - 6; ГОСТ 10117.2-2001 в части разд. 1 |
| Нормативные ссылки: | ISO 8162:1985;ISO 9056:1990; ГОСТ 164-90; ГОСТ 2603-79; ГОСТ 3118-77; ГОСТ 12601-76; ГОСТ 13903-93; ГОСТ 13904-93; ГОСТ 13905-78; ГОСТ 14192-96; ГОСТ 15150-69; ГОСТ 24980-69; ГОСТ 25706-83; ГОСТ 26586-85; ГОСТ 30288-95;ОСТ 21-51-82 |
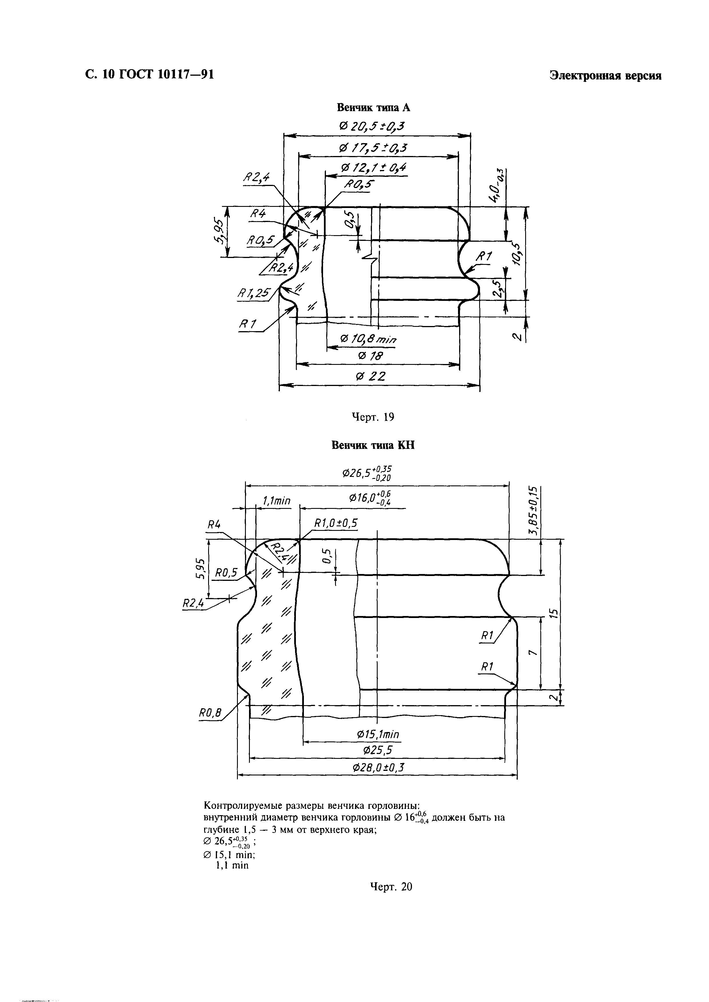
| Область применения: | Настоящий стандарт распространяется на стеклянные бутылки, предназначенные для розлива, хранения и транспортирования пищевых жидкостей. Стандарт не распространяется на бутылки для молока и молочных продуктов |
| Список изменений: | №1 от 01.01.1998 (рег. 28.10.1997) «Срок действия продлен» |
|