| Обозначение: |  ГОСТ Р 52850-2007 |
| Статус: | действующий |
| Название рус.: | Автомобильные транспортные средства. Компрессоры одноступенчатого сжатия. Технические требования и методы испытаний |
| Название англ.: | Vehicles. Single-stage compressed air pumps. Technical requirements and test methods |
| Дата актуализации текста: | 06.04.2015 |
| Дата актуализации описания: | 01.07.2023 |
| Дата издания: | 05.05.2008 |
| Дата введения: | 01.01.2009 |
| Код ОКП: | 450000 |
| Нормативные ссылки: | ГОСТ Р 8.568-97; ГОСТ Р ИСО 2859-1-2007; ГОСТ 9.014-78; ГОСТ 2991-85; ГОСТ 6111-52; ГОСТ 14192-96; ГОСТ 14861-91; ГОСТ 15150-69; ГОСТ 15846-2002; ГОСТ 18510-87; ГОСТ 23170-78; ГОСТ 24634-81; ГОСТ 32071-97 |
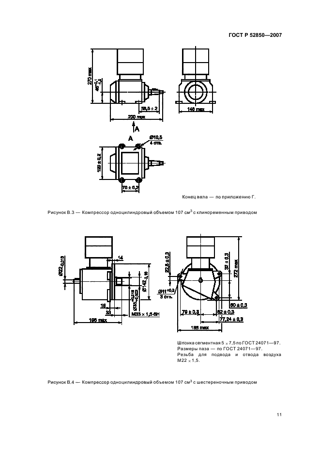
| Область применения: | Настоящий стандарт распространяется на воздушные поршневые компрессоры одноступенчатого сжатия, предназначенные для автомобильных транспортных средств, и устанавливает технические требования и методы их испытаний |
|