| Обозначение: |  ГОСТ 21301-75 |
| Статус: | действующий |
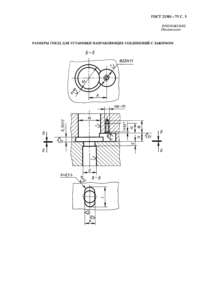
| Название рус.: | Соединения направляющие с зажимом для нагреваемых стержневых ящиков. Конструкция и размеры |
| Название англ.: | Guide joinings with clamp for heated core boxes. Design and dimensions |
| Дата актуализации текста: | 06.04.2015 |
| Дата актуализации описания: | 01.07.2023 |
| Дата издания: | 01.01.2001 |
| Дата введения: | 01.01.1977 |
| Код ОКП: | 396190 |
| Нормативные ссылки: | ГОСТ 9150-81; ГОСТ 1050-88; ГОСТ 5916-70; ГОСТ 6402-70; ГОСТ 11738-84; ГОСТ 16093-81; ГОСТ 21299-75; ГОСТ 21300-75; ГОСТ 21305-75 |
| Область применения: | Настоящий стандарт устанавливает конструкцию и размеры направляющих соединений с зажимом |
| Список изменений: | №1 от 30.04.1983 (рег. 12.01.1983) «Срок действия продлен» |
|