| Обозначение: |  ГОСТ 10044-73 |
| Статус: | действующий |
| Название рус.: | Резцы расточные державочные из быстрорежущей стали. Конструкция и размеры |
| Название англ.: | High-speed steel boring tools with holders. Design and dimensions |
| Дата актуализации текста: | 06.04.2015 |
| Дата актуализации описания: | 01.07.2023 |
| Дата издания: | 01.09.2003 |
| Дата введения: | 01.01.1974 |
| Код ОКП: | 392122 |
| Взамен: | ГОСТ 10044-62;МН 670-64;МН 671-64;МН 5225-64;МН 5226-64 |
| Содержит требования: | СТ СЭВ 405-77;СТ СЭВ 407-77;СТ СЭВ 406-77 |
| Нормативные ссылки: | ГОСТ 10047-62 |
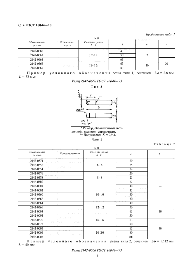
| Область применения: | Настоящий стандарт распространяется на расточные державочные резцы общего назначения из быстрорежущей стали |
| Список изменений: | №1 от 01.07.1980 (рег. 09.06.1980) «Срок действия продлен» №2 от 01.07.1990 (рег. 13.12.1989) «Срок действия продлен» |
|