| Обозначение: |  ГОСТ 20907-75 |
| Статус: | заменён |
| Название рус.: | Смолы фенолоформальдегидные жидкие. Технические условия |
| Название англ.: | Liquid phenolformaldehyde resins. Specifications |
| Дата актуализации текста: | 06.04.2015 |
| Дата актуализации описания: | 01.07.2023 |
| Дата издания: | 01.06.1985 |
| Дата введения: | 01.01.1977 |
| Дата окончания срока действия: | 01.11.2017 |
| Код ОКП: | 224635 |
| Заменяющий: | ГОСТ 20907-2016 |
| Нормативные ссылки: | ГОСТ 99-89; ГОСТ 380-71; ГОСТ 844-79; ГОСТ 1594-69; ГОСТ 1770-74; ГОСТ 2424-83; ГОСТ 3118-77; ГОСТ 4328-77; ГОСТ 5072-79; ГОСТ 5799-78; ГОСТ 5955-75; ГОСТ 6247-79; ГОСТ 6613-86; ГОСТ 6709-72; ГОСТ 8253-79; ГОСТ 8420-74; ГОСТ 9147-80; ГОСТ 9620-72; ГОСТ 9624-72; ГОСТ 9980.2-86; ГОСТ 10028-81; ГОСТ 11235-75; ГОСТ 13526-79; ГОСТ 13950-84; ГОСТ 14192-77; ГОСТ 14760-69; ГОСТ 14963-78; ГОСТ 16361-87; ГОСТ 16704-71; ГОСТ 17537-72; ГОСТ 18300-87; ГОСТ 18329-73; ГОСТ 18481-81; ГОСТ 20292-74; ГОСТ 22261-81; ГОСТ 23711-79; ГОСТ 24104-88; ГОСТ 25336-82; ГОСТ 27068-86;ТУ 25-2021.003-88;ТУ 38.1011246-89 |
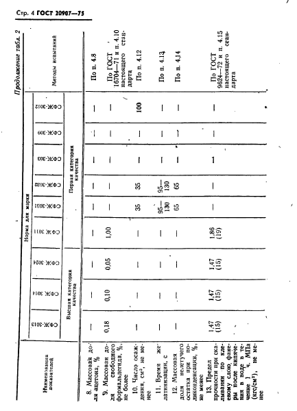
| Область применения: | Настоящий стандарт распространяется на жидкие фенолоформальдегидные смолы резольного типа, представляющие собой продукт поликонденсации фенола и формальдегида в присутствии катализатора с добавкой модифицирующих и стабилизирующих веществ или без них |
| Список изменений: | №1 от 31.05.1977 (рег. 24.04.1977) «Срок действия продлен» №2 от 01.01.1980 (рег. 21.06.1979) «Срок действия продлен» №3 от 01.01.1982 (рег. 28.01.1981) «Срок действия продлен» №4 от 01.08.1985 (рег. 27.03.1985) «Срок действия продлен» №5 от 01.01.1992 (рег. 10.12.1990) «Срок действия продлен» |
|